Aqui aprendemos sobre um circuito simples de fonte de alimentação de modo de comutação (SMPS) que é capaz de fornecer 3,3 V, 5 V, 9 V a cerca de 800 mA de uma faixa de entrada de rede elétrica de 100 V a 285 V, com isolamento completo.
O funcionamento do circuito SMPS flyback proposto de 3,3 V, 5 V, 9 V pode ser entendido através da seguinte explicação detalhada do circuito:
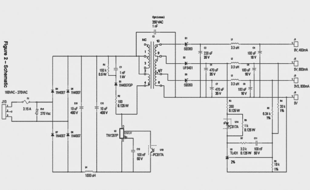
Filtragem EMI de Entrada
O capacitor C10, juntamente com C13, formam os capacitores principais. Em conjunto com L4, eles constituem o estágio do filtro EMI.
O jitter de frequência integrado do Tiny Switch facilita a obtenção de uma EMI reduzida, mesmo com uma configuração de filtro EMI bastante descomplicada.
Estágio de amortecimento do grampo primário
D3, R1, R2, juntamente com C1, constroem o grampo-amortecedor do lado primário para fixar o pico de tensão no pino de drenagem assim que for desligado. D3 é um 1N4007G, um modelo de vidro passivado do típico 1N4007, com restauração EMF traseira regulada. Está posicionado, em conjunto com o R2, para melhorar a EMI e as saídas pretendidas de 3,3 V, 5 V, 9 V.
Em uma situação em que é difícil obter um diodo de recuperação rápida específico, qualquer outro diodo rápido alternativo pode ser incorporado sem problemas.
Filtragem de tensão de saída
C3, C5 e C7 tornam-se responsáveis como os capacitores de saída em massa. C4, C6 e C8, em conjunto com os indutores L1, L2 e L3, constituem filtros de saída de segundo estágio.
Circuito de Feedback de Saída
Os resistores de detecção R4 e R5 detectam e identificam uma provável diferença na amplitude de 3,3V e 5V
limites de tensão de saída.
Essa diferença de tensão, pode ser resultado de diferenças na carga conectada na saída ou talvez na tensão de entrada, são alimentadas como referência ao pino de entrada do regulador shunt TL431.
O regulador shunt os identifica e os compara com seu nível de referência de tensão embutido para acionar um sinal de feedback na forma de um impulso de corrente através de U1 B proporcional à diferença identificada detectada por R4 e R5.
O optoacoplador U1 desliga imediatamente o circuito de controle da tensão de alimentação enviando a corrente do sinal de feedback para a saída do pino ENUV na seção primária do circuito.
O diagrama a seguir representa o esquema completo do circuito SMPS de 3,3 V, 5 V, 9 V
Diagrama de circuito


Layout de PCB para o circuito SMPS de saída de tensão múltipla proposto




Desenho do enrolamento do transformador para o circuito SMPS de saída de tensão múltipla explicado acima
Detalhes do enrolamento do transformador




O seguinte fornece as especificações do transformador para auxiliar o enrolamento das espiras corretamente












Cortesia: https://ac-dc.power.com/system/files_force/PDFFiles/der55.pdf
Hashtags: #Faça #este #circuito #SMPS
FONTE
Nota: Este conteúdo foi traduzido do Inglês para português (auto)
Pode conter erros de tradução
Olá, se tiver algum erro de tradução (AUTO), falta de link para download etc…
Veja na FONTE até ser revisado o conteúdo.
Status (Ok Até agora)
Se tiver algum erro coloque nos comentários


