O poste apresenta um circuito simples de fonte de alimentação de 1,5V DC sem transformador que pode ser usado para alimentar relógios de parede diretamente da rede elétrica e também manter uma célula de reserva totalmente carregada para permitir uma operação ininterrupta do relógio mesmo durante falhas de rede. A ideia foi pedida por Cheekin
Aviso: Este circuito não está isolado da rede elétrica CA e, portanto, é extremamente perigoso tocar em condições de alimentação, os usuários são aconselhados a ter extremo cuidado ao manuseá-lo ou testá-lo em uma posição descoberta.
O design
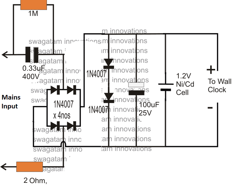
A figura mostra um circuito simples de fonte de alimentação sem transformador de 1,5 V para relógios de parede que nunca permitiria que o relógio parasse devido a uma bateria descarregada, pois continuaria funcionando da rede elétrica e também seria reforçado com uma bateria para garantir que o relógio não parar mesmo durante uma falha de rede.
O projeto mostrado abaixo é uma fonte de alimentação simples sem transformador usando um capacitor de 0,33uF como componente limitador de corrente de entrada para restringir a corrente da rede a modestos 16mA.
Diagrama de circuito


Esperamos que essa corrente mantenha o relógio funcionando satisfatoriamente e também mantenha a célula de Ni/Cd conectada carregada e pronta para um backup de emergência.
Se 0,33uF não fornecer corrente adequada para as operações, você pode aumentá-lo para um valor maior que apenas satisfaça as necessidades da aplicação.
A fonte de alimentação sem transformador de 1,5 V indicada para um relógio de parede é capaz de desenvolver os 1,5 V CC necessários na saída com a ajuda dos dois diodos retificadores 1N4007 com polarização direta nos terminais (+), (-) da fonte, que efetivamente desvia a rede massiva de 330 V (@ 20 mA) para uma CC nominal de 1,5 V.
A inclusão dos dois diodos de derivação também garante uma alimentação totalmente livre de surtos para o relógio e a célula de carga e, portanto, o design é aliviado de outras formas convencionais de dispositivos de proteção contra surtos.
Como funciona
Resumidamente, o circuito de alimentação sem transformador de 1,5 V para relógios pode ser explicado da seguinte maneira
A corrente de entrada da rede elétrica é reduzida para 20mA pelo capacitor de 0,33uF/400V.
O retificador de ponte converte a entrada de baixa corrente acima em uma variante DC de baixa corrente, que é adicionalmente atuada pelos dois diodos 1N4007 que desviam a DC para aproximadamente 1,5 V fixo.
Esta CC de 1,5 V / 20 mA é finalmente usada para operar o relógio de parede desejado e também para carregar uma célula de Ni/Cd de 1,2 V conectada que reverte sua CC sempre que a rede elétrica falha, garantindo uma alimentação ininterrupta à prova de falhas para o relógio para que a unidade nunca pára devido a quaisquer razões adversas.
Hashtags: #Circuito #fonte #alimentação #para #relógio #parede
FONTE
Nota: Este conteúdo foi traduzido do Inglês para português (auto)
Pode conter erros de tradução
Olá, se tiver algum erro de tradução (AUTO), falta de link para download etc…
Veja na FONTE até ser revisado o conteúdo.
Status (Ok Até agora)
Se tiver algum erro coloque nos comentários


