Neste post aprenderemos como construir 10 circuitos geradores de funções simples e úteis usando IC 4049, IC 8038, IC 741, IC 7400, transistores, UJTs etc. para gerar ondas quadradas precisas, ondas de triângulo e ondas sine através de operações de fácil switch.

1) Utilizando IC 4049
Usando apenas um CMOS IC 4049 de baixo custo e um punhado de módulos separados, é fácil criar um gerador de função robusto que fornecerá uma gama de três formas de onda ao redor e além do espectro de áudio.
O objetivo do artigo foi criar um gerador básico, econômico e de código aberto que seja fácil de construir e usado por todos os hobistas e profissionais de laboratório.
Este objetivo foi, sem dúvida, alcançado, pois o circuito fornece uma variedade de formas de onda seno, quadrada e triângulo e um espectro de frequência de aproximadamente 12 Hz a 70 KHz emprega apenas ic inversor de hexocicr CMOS único e alguns elementos separados.
Sem dúvida, a arquitetura pode não fornecer a eficiência de circuitos mais avançados, especialmente em termos de consistência de forma de onda em frequências aumentadas, mas é, no entanto, um instrumento incrivelmente útil para análise de áudio.
Diagrama de bloco

O circuito que opera o básico do diagrama de bloco acima mostrado. A seção principal do gerador de função é um gerador de triângulo / ondas quadradas que consiste em um integrador e um gatilho Schmit.
Uma vez que a saída do gatilho Schmitt é alta, a tensão que se alimenta da saída schmitt para a entrada do Integrador permite que a saída do Integrador aumente negativamente antes de exceder o nível de saída inferior do gatilho Schmitt.
Nesta fase, a saída do gatilho Schmitt é lenta, de modo que a pequena tensão alimentada de volta à entrada do integrador permite que ele aumente positivamente antes que o nível superior do gatilho do gatilho schmitt seja atingido.
A saída do gatilho Schmitt sobe novamente, e a saída do integrador aumenta negativamente novamente, e assim por diante.
As varreduras positivas e negativas da saída do integrador representam uma forma de onda triangular cuja amplitude é calculada pela histerese do gatilho Schmitt (ou seja, a diferença entre os limites de gatilho alto e baixo).
A produção de gatilho schmitt é, naturalmente, uma onda quadrada composta de estados alternados de alta e baixa produção.
A saída do triângulo é fornecida a um modelador de diodo através de um amplificador tampão, que arredonda os altos e baixos do triângulo para criar uma aproximação a um sinal de onda.
Em seguida, cada uma das 3 formas de onda pode ser escolhida por um switch seletor de 3 vias S2 e fornecida a um amplificador de buffer de saída.
Como funciona o circuito

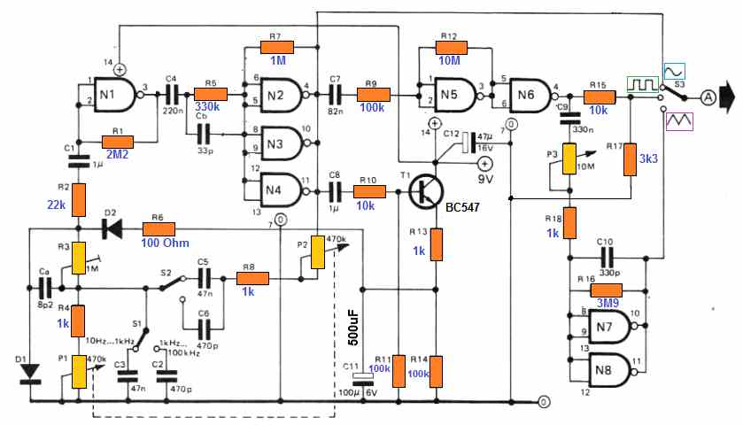
O diagrama completo do circuito do gerador de função CMOS, como visto na figura acima. O integrador é inteiramente construído usando um inversor CMOS, NL, enquanto o mecanismo Schmitt incorpora 2 inversores de feedback positivos. É N2 e N3.
A imagem a seguir mostra os detalhes do pinout do IC 4049 para aplicar no esquema acima

O circuito funciona assim; considerando, no momento, que o limpador P2 está em sua localização mais baixa, com a saída N3 sendo alta, um equivalente atual a:
Ub – U1 / P1 + R1
viaja via R1 e p1, onde Ub indica a tensão de alimentação e Ut a tensão limiar N1.
Como esta corrente é incapaz de se mover para a entrada de alta impedância do inversor, ela começa a viajar em direção a C1/C2, dependendo de qual capacitor é alternado na linha pelo interruptor S1.
A queda de tensão sobre C1 diminui linearmente de tal forma que a tensão de saída do N1 sobe linearmente antes que a tensão limiar inferior do gatilho Schmitt seja abordada assim como a saída do gatilho Schmitt se torna baixa.
Agora, um equivalente atual a -Ut / P1 + R1 flui através de R1 e P1.
Esta corrente sempre flui através de C1, de tal forma que a tensão de saída do N1 aumenta exponencialmente até que a tensão máxima do gatilho Schmitt seja alcançada, a saída do gatilho Schmitt sobe, e todo o ciclo começa tudo de novo.
Para manter a simetria de onda triângulo (ou seja, a mesma inclinação tanto para as partes positivas quanto para as partes negativas da forma de onda) as correntes de carga e descarga do condensador devem ser idênticas, o que significa que uj,-Ui deve ser idêntico ao Ut.
No entanto, infelizmente, Ut sendo decidido pelos parâmetros inversor CMOS, normalmente é de 55% ! A tensão de origem Ub = Ut é aproximadamente 2,7 V com 6 V e Ut aproximadamente a 3,3 V.
Este desafio é superado com P2 que requer modificação da simetria. Por enquanto, considere que o R-tailandês está relacionado à linha de alimentação positiva (posição A).
Independentemente da configuração do P2, a alta tensão de saída do gatilho Schmitt permanece sempre 11.
No entanto, quando a saída N3 é baixa, R4 e P2 estabelecem um divisor potencial de tal forma que, com base na configuração do limpador P2, uma tensão entre 0 V a 3 V poderia ser devolvida de volta para P1.
Isso garante que a tensão não seja mais -Ut e mas Up2-Ut. Caso a tensão do controle deslizante P2 esteja em torno de 0,6 V, então o Up2-Ut deve ficar em torno de -2,7 V, portanto as correntes de carregamento e descarga seriam idênticas.
Obviamente, devido à tolerância no valor de Ut, o ajuste P2 deve ser realizado para corresponder ao gerador de função específico.
Em situações em que o Ut é menos de 50% da tensão de entrada, conectar a parte superior do R4 ao solo (posição B) pode ser apropriado.
Um par de escalas de frequência podem ser encontradas, que serão atribuídas usando S1; 12 Hz-1 kHz e 1 kHz a aproximadamente 70 kHz.
O controle de frequência granular é dado por P1 que altera a corrente de carga e descarga de C1 ou C2 e, portanto, a frequência através da qual o integrador sobe e desce.
A saída de ondas quadradas do N3 é enviada para um amplificador tampão através de um interruptor seletor de forma de onda, S2, que compreende um par de inversores tendenciosos como um amplificador linear (ligado em paralelo para melhorar sua eficiência de corrente de saída).
A saída de onda triângulo é fornecida através de um amplificador tampão N4 e a partir daí pelo interruptor seletor para a saída do amplificador tampão.
Além disso, a saída do triângulo de N4 é adicionada ao modelador seno, composto por R9, R11, C3, Dl e D2.
D1 e D2 puxam pouca corrente até +/- 0,5 volts, mas sua resistência diversificada cai além dessa tensão e logaritmicamente limitam as altas e baixas do pulso triângulo para criar um equivalente a uma onda de sine.
A saída do seno é transmitida ao amplificador de saída via C5 e R10.
P4, que varia o ganho de N4 e, portanto, a amplitude do pulso triângulo fornecida ao modelador seno, muda a transparência do seio.
Um nível de sinal muito baixo, e a amplitude do triângulo estaria abaixo da tensão limiar do diodo, e ele continuará sem alteração, e um nível de sinal muito alto, os altos e baixos seriam fortemente cortados, fornecendo assim ondas sine não bem formadas.
Os resistores de entrada do amplificador de saída são escolhidos de tal forma de que todas as três formas de onda tenham um pico nominal de tensão de saída mínima de cerca de 1,2 V. O nível de saída pode ser alterado através de P3.
Procedimento de configuração
O método de ajuste é simplesmente mudar a simetria do triângulo e a pureza da onda de sine.
Além disso, a simetria do triângulo é idealmente otimizada examinando a entrada de ondas quadradas, uma vez que um triângulo simétrico é produzido se o ciclo de trabalho de ondas quadradas for de 50% (1-1 mark-space).
Para fazer isso, você terá que ajustar o P2 predefinido.
Em uma situação em que a simetria aumenta à medida que o limpador P2 é movido para baixo em direção à saída N3, mas a simetria correta não pôde ser alcançada, a parte superior do R4 deve ser juntada na posição alternativa.
A pureza da onda selada é alterada ajustando P4 até que a forma de onda ‘pareça perfeita' ou variando para uma distorção mínima apenas se houver um medidor de distorção para verificar.
Como a tensão de alimentação afeta a tensão de saída das diferentes formas de onda e, portanto, a pureza do seno, o circuito deve ser alimentado a partir de uma fonte robusta de 6 V.
Quando as baterias são usadas como baterias de fonte de energia, elas nunca devem ser forçadas a correr muito para baixo.
Os CMOS ICs usados como circuitos lineares drenam a corrente mais alta do que no modo usual de comutação, e, portanto, a tensão de alimentação não deve exceder 6 V, ou então o IC pode aquecer devido à forte dissipação térmica.
Outra ótima maneira de construir um circuito gerador de funções pode ser através do IC 8038, como explicado abaixo
2) Circuito gerador de funções usando IC 8038
O IC 8038 é um gerador de forma de onda de precisão IC especialmente projetado para criar formas de onda de saída seno, quadrada e triangular, incorporando o menor número de componentes eletrônicos e manipulações.
Sua faixa de frequência de trabalho poderia ser determinada através de 8 etapas de frequência, a partir de 0,001Hz a 300kHz, através da seleção adequada dos elementos R-C anexados.
A frequência oscilatória é extremamente estável, independentemente das flutuações de temperatura ou tensão de alimentação em uma ampla faixa.


Além disso, o gerador de funções IC 8038 oferece uma faixa de frequência de trabalho até 1MHz. Todas as três saídas de forma de onda fundamentais, sinusoidal, triangular e quadrada podem ser acessadas ao mesmo tempo através de portas de saída individuais do circuito.
A faixa de frequência do 8038 pode ser variada através de uma alimentação de tensão externa, embora a resposta possa não ser muito linear. O gerador de função proposto também fornece como simetria de triângulo ajustável e nível de distorção de ondas seno ajustáveis.
3) Gerador de funções Usando IC 741
Este circuito gerador de função baseado em IC 741 oferece maior versatilidade de teste em comparação com o típico gerador de sinal de onda seno, dando ondas quadradas e triângulos de 1 kHz juntas, e é ao mesmo tempo de baixo custo e muito simples de construir. Como parece, a saída é de aproximadamente 3V ptp na onda quadrada, e 2V r.m.s. na onda seno. Um atenuante comutado pode ser rapidamente incluído se você quiser ser mais suave para o circuito que está sendo testado.

Como montar
Comece a rechear as peças no PCB conforme mostrado no diagrama de layout do componente e certifique-se de inserir a polaridade do zener, eletrolíticos e ICs corretamente.


Como configurar
Para configurar o circuito gerador de funções simples, basta ajustar RV1 até que a forma de onda seno esteja ligeiramente abaixo do nível de recorte. Isso fornece-lhe a onda sine mais eficaz através do oscilador. O quadrado e o triângulo não requerem ajustes ou configurações específicas.
Como funciona
- Neste circuito gerador de função IC 741, o IC1 é configurado na forma de um oscilador de ponte Wien, operando a uma frequência de 1 kHz.
- O controle de amplitude é fornecido pelos diodos D1 e D2. A saída deste IC é conduzida através do soquete de saída ou para o circuito de esquartejamento.
- Este é conectado ao SW1a por meio de C4 e é um gatilho Schmidt (Q1 -Q2). O Zener ZD1 funciona como um gatilho “livre de histeria”.
- O integrador IC2, C5 e R10 gera a onda triangular a partir da onda quadrada de entrada.
4) Gerador simples de função UJT
O oscilador de unijunção mostrado abaixo, está entre os geradores de dentes de serra mais fáceis. As duas saídas desta dão, ou seja, uma forma de onda de dente de serra e uma sequência de pulsos de gatilho. A onda sobe de cerca de 2V (o ponto do vale, Vv) até o pico máximo (Vp). O ponto de pico conta com a fonte de alimentação Vs e a relação BJT de stand-off, que pode variar de cerca de 0,56 a 0,75, sendo 0,6 um valor comum. O período de uma oscilação é aproximadamente:
t = – RC x 1n[(1 – η) / (1 – Vv/Vs)]
onde ‘1n' indica o uso natural de logaritmo. Considerando os valores padrão, Vs = 6, Vv = 2 e η = 0,6, a equação acima simplifica para:
t = RC x 1n(0,6)

Como o carregamento do capacitor é incremental, a inclinação crescente da serra dente não é linear. Para muitos aplicativos de áudio, isso mal importa. A Figura (b) demonstra o capacitor de carga através de um circuito de corrente constante. Isso permite que a inclinação vá direto para cima.
A taxa de carga do capacitor agora é constante, independente de Vs, embora Vs ainda influencie o ponto de pico. Como a corrente depende do ganho transistor, não há uma fórmula simples para medição de frequência. Este circuito foi projetado para funcionar com baixas frequências, e tem implementações como gerador de rampa.
5) Utilização de amplificadores de operações LF353
Dois amplificadores de operação são usados para construir um circuito preciso de ondas quadradas e gerador de ondas triângulo. O conjunto LF353 inclui dois amplificadores de operações JFET que são mais adequados para esta aplicação.

As frequências de sinal de saída são calculadas pela fórmula f=1 / RC. O circuito mostra uma faixa de operação extremamente ampla, com quase nenhuma distorção.
R pode ter qualquer valor entre 330 Ohm e cerca de 4,7 M; C pode ser de qualquer valor de cerca de 220pF a 2uF.
Assim como o conceito acima, dois amplificadores op são usados na próxima onda senoidal um circuito de gerador de função de onda cossina.

Eles geram sinais de onda sine de frequência quase idênticos, mas 90 ° fora de fase, e, portanto, a saída do segundo amplificador de operações é denominada como uma onda cossina.
A frequência é afetada pela coleta de valores aceitáveis de R e C. R está na faixa de 220k a 10 M; C está entre 39pF e 22nF. A conexão entre R, C e/ou é um pouco complexa, pois deve refletir os valores de outros resistores e capacitores.
Use R = 220k e C = 18nF como um ponto inicial que fornece uma frequência de 250Hz. Os diodos Zener podem ser diodos de baixa potência de 3,9V ou 4,7V.
6) Gerador de função usando IC TTL
Um par de portões de um portão NAND quádruplo de 7400 quádruplos de duas entradas constitui o circuito oscilador real para este circuito gerador de função TTL. O cristal e um capacitor ajustável funcionam como o sistema de feedback através da entrada do portão U1-a e a saída do portão U1-b. O portal U1-c funciona como um tampão entre o estágio oscilador e o estágio de saída, U1-d.

O Switch S1 age como um controle de portão comutação manual para alternar a saída de onda quadrada do U1-d no pino 11 ON/OFF. Com o S1 aberto, como indicado, a onda quadrada é gerada na saída, e uma vez fechada a forma de onda equare é desligada.
O interruptor poderia ser substituído por um portão lógico para comandar digitalmente a saída. Uma onda seno quase ideal de 6 a 8 volts é criada no ponto de conexão de C1 e XTAL1.
A impedância nesta junção é muito alta e é inagável para fornecer um sinal de saída direta. O transistor Q1, configurado como um amplificador de seguidor de emissor, fornece uma alta impedância de entrada ao sinal de onda senoidal e uma baixa impedância de saída para uma carga externa.
O circuito aumentará quase todos os tipos de cristais e funcionará com frequências de cristal abaixo de 1 MHz a acima de 10 MHz.
Como configurar
A configuração deste circuito gerador de função TTL simples pode ser rapidamente iniciada com os seguintes pontos.
Se houver um osciloscópio disponível com você, conecte-o à saída de onda quadrada do U1-d no pino 11 e posicione-se C1 no centro da faixa que fornece a forma de onda de saída mais eficaz.
Em seguida, observe a saída de onda senoidal e ajuste C2 para obter a melhor forma de onda de aparência. Retorne ao botão de controle C1 e ajuste-o um pouco até que a saída de onda seno mais saudável seja alcançada na tela de escopo.
Lista de peças
RESISTORES
(Todos os resistores são -watt, 5% unidades.)
RI, R2 = 560-ohmR3
= 100kR4
= 1k
SemicondutoresU1 = IC 7400
Q1 = 2N3904 NPN transistor de silício
CapacitorsC1
, C2 = 50 pF, capacitor
de aparadorC3, C4 = 0,1 uF, capacitor de disco cerâmico
MiscellaneousS1
= interruptor
de alternação SPSTXTAL1 = Qualquer cristal (ver texto)
7) Cristal controlado melhor circuito de forma de onda do Sine
O seguinte gerador de forma de onda, é um circuito oscilador de cristal de dois transistores que funciona soberbamente, barato de construir, e não requer bobinas ou engasgos. O preço depende principalmente do cristal utilizado, já que o custo global dos outros elementos não deve ser de poucos dólares. Transistor Q1 e as várias partes adjacentes formam o circuito oscilador.

O caminho terrestre para o cristal é dirigido por meio de C6, R7 e C4. Na junção C6 e R7, que é uma posição de impedância muito pequena, o RF é aplicado a um amplificador seguidor emissor, Q2.
A forma de forma de onda na junção C6/R7 é realmente uma onda seno quase perfeita. A saída, no emissor do Q2, varia em amplitude de cerca de 2 a 6 volts de pico para pico, com base no fator Q dos valores do cristal e dos capacitores C1 e C2.
Os valores C1 e C2 decidem a faixa de frequência do circuito. Para frequências de cristal abaixo de 1 MHz, C1 e C2 devem ser de 2700 pF (.0027 p,F). Para frequências entre 1 MHz e 5 MHz, estes podem ser capacitores de 680 pF; e para 5 MHz e 20 MHz. você pode aplicar capacitores de 200 pF.
Você poderia tentar testar com valores desses capacitores para obter a melhor saída de onda seno. Além disso, o ajuste do capacitor C6 pode ter um efeito sobre o nível de saída dois e a forma geral da forma de onda.
Lista de peças
RESISTORES
(Todos os resistores são -watt, 5% unidades.)
R1-R5-1kR6-27kR7-270-ohmR8-100kCAPACITORSC1,C2
— Ver textC3,C5-0.1-p.F, disco cerâmicoC6-10 pF a 100pF, trimmerSEMICONDUCTORSQ1, Q2-2N3904 XTAL1 — Veja texto
Circuito gerador de dente-de-serra
No circuito gerador de dente de serra, as peças Q1, D1-D3, R1, R2 e R7 são configuradas como um simples circuito gerador de corrente constante que carrega o capacitor C1 com uma corrente constante. Esta corrente de carregamento constante cria uma tensão linear crescente sobre C1.

Transistores Q2 e Q3 são manipulados como um par Darlington para empurrar a tensão através de C1, para a saída sem efeitos de carga ou distorção.
Assim que a tensão em torno de C1 aumenta para cerca de 70% da tensão de alimentação, o portão U1-a é ativado, acionando a saída U1-b para ir alto e ligar brevemente o Q4; que continua ligado enquanto o capacitor C1 descarrega.
Isso termina um único ciclo e inicia o próximo. A frequência de saída do circuito é regida pelo R7, que fornece uma frequência de baixa extremidade de aproximadamente 30 Hz e uma frequência superior de cerca de 3,3 kHz.
A faixa de frequência poderia ser maior diminuindo o valor de C1 e caiu aumentando o valor do C1. Para preservar a corrente de alta do Q4 sob controle. C1 não deve ser maior que 0,27 uF.
Lista de peças

8) Circuito gerador de função usando um par de IC 4011

A base deste circuito é na verdade um oscilador Wien-bridge, que oferece uma saída de onda seno. As formas de onda quadrada e triangular são posteriormente extraídas disso.
O oscilador wien-ponte é construído usando um CMOS NAND portões N1 a N4, enquanto a estabilização de amplitude é fornecida pelo transistor T1, e diodos D1 e D2.
Estes diodos possivelmente.devem ser combinados conjunto de dois, para menor distorção. O potencialiômetro de ajuste de frequência P1 também deve ser um potencializador estéreo de alta qualidade com faixas de resistência interna emparelhadas a 5% de tolerância.
O R3 predefinido dá facilidade de ajuste para menor distorção e, caso as peças combinadas sejam empregadas para D1, D2 e P1, a distorção harmônica global pode estar abaixo de 0,5%.
A saída do oscilador Wien-ponte é aplicada à entrada de N5, que é tendenciosa em sua região linear e funciona como um amplificador. Os portões NAND N5 e N6 melhoram coletivamente e cortam a saída do oscilador para gerar uma forma de onda quadrada.
O ciclo de trabalho da forma de onda é relativamente influenciado pelos potenciais limiares do N5 árido N6, porém está próximo de 50%.
A saída do portão N6 é fornecida em um integrador construído usando os portões NAND N7 e N8, que harmoniza com a onda quadrada para entregar uma forma de onda triangular.
A amplitude de forma de onda triangular é, com certeza, dependente da frequência, e como o integrador simplesmente não é muito preciso a linearidade adicionalmente se desvia em relação à frequência.
Na realidade, a variação de amplitude é realmente bastante trivial, considerando que o gerador de função muitas vezes será usado juntamente com um mililitro ou um osciloscópio e a saída poderia ser facilmente verificada.
9) Circuito gerador de funções usando lM3900 Norton Op Amp
Um gerador de função extremamente útil que reduzirá o hardware e também o preço poderia ser construído com um único amplificador quad Norton IC LM3900.
Se o resistor R1 e o capacitor C1 forem removidos deste circuito, a configuração resultante será a comum para um gerador de ondas quadradas do amplificador Norton, com a corrente de tempo entrando no capacitor C2. A inclusão de um capacitor integrador C1 ao gerador de ondas quadradas cria uma onda seno realisticamente precisa na saída.
O resistor R1, que facilita o complemento das constantes de tempo do circuito, permite ajustar a onda de saída seno para menor distorção. Um circuito idêntico permite que você coloque uma saída de onda senoidal para a conexão padrão para um gerador de ondas quadradas/triangulares projetado com dois amplificadores Norton.

Como demonstrado na imagem, a saída triangular funciona como a entrada para o amplificador seno-shaper.
Para os valores de peças fornecidos neste artigo, a frequência de execução do circuito é de aproximadamente 700 hertz. O resistor R1 pode ser usado para ajustar a menor distorção de ondas seno, e o resistor R2 pode ser usado para ajustar a simetria das ondas quadradas e triangulares.
O 4º amplificador do pacote quad Norton pode ser ligado como um buffer de saída para todas as 3 formas de onda de saída.
10) Gerador de função utilizando IC 566
O IC 566 torna-se ideal para a construção de um gerador de teste com a ajuda de seu oscilador controlado por tensão interna (VOC). O circuito é projetado para fornecer saídas individuais que oferecem ondas triangulares e quadradas, juntamente com um conjunto de saídas de picos positivos e negativos. A amplitude da onda quadrada é de 5 V pk-pk, as formas de onda restantes são 1,5 V pk-pk. A frequência depende do valor do capacitor que é anexado ao pino 7 do IC.
É aconselhável fazer uso de capacitores tântalos em vez de eletrolíticos. As saídas deste gerador de função IC 566 são criadas para lidar com cargas de alta impedância. Um estágio tampão transistor é necessário para complementar ao equipamento de impedância de baixa entrada.

Gerador de função de onda do Sine spot
A próxima figura ilustra um circuito que usa um IC 7556 como integrador.

Quando o integrador é alimentado com uma entrada de onda quadrada do temporizador, ele o converte em uma onda triangular. Quando o sinal de onda triângulo é aplicado em outro integrador, ele é transformado em uma onda seno. Com um circuito muito básico, este método pode ser utilizado para criar uma onda seno bastante limpa de uma frequência definida. Todas as três formas de onda fundamentais, quadradas, triângulos e sinewave, são geradas com amplitudes de tensão de pico a pico quase idênticas nesta versão. A amplitude da onda sine, de 3 volts de pico ao pico com uma oferta de 9 V, é quase comparável a um volt RMS, que é uma quantidade útil para testes de áudio.
O objetivo deste gerador de ondas de manchas é fazer todas as três saídas com cerca de a tensão de saída idêntica para que outros circuitos possam ser rapidamente testados para resposta a formas de onda variadas. Com uma tensão de pico a pico de um terço da oferta, a onda triângulo define o valor inicial.
A onda quadrada possui originalmente o valor de tensão de alimentação, pois varia de trilho para trilho, embora seja atenuado a quase o valor exigido por meio dos dois resistores R4 e R5. Estes dois resistores podem ser removidos se não forem necessários. A entrada de lC2b, um segundo integrador, está ligada à onda do triângulo.
Devido às tensões e correntes de deslocamento de entrada, etc., a saída de um integrador pode finalmente derivar o máximo que puder para um dos trilhos de alimentação, a menos que alguma forma de feedback DC seja usada. Portanto, o lC2b é AC acoplado ao sinal de entrada via C4 e o grande resistor de feedback R8, detém o nível de saída DC certo. Os níveis desses dois componentes são adequados para evitar distorção de sinal na frequência operacional. As configurações de R7 e C5 ajustam a amplitude de saída ao nível desejado de cerca de um terço do pico de oferta ao pico. a frequência é determinada. pela fórmula:
f = 1 / 1.333 x R6 x C5
Este método produz uma onda sinebal muito agradável, com a única desvantagem sendo que a frequência não pode ser prontamente alterada. Qualquer alteração na frequência de entrada para o segundo integrador exigirá uma alteração nos valores de RT e C5, a fim de manter a amplitude de saída de sinewave certa, e não há um método rápido para conseguir isso.
Hashtags: #circuitosgeradorfunção
Nota: Este conteúdo foi traduzido do Inglês para português (auto)
Pode conter erros de tradução
Olá, se tiver algum erro de tradução (AUTO), falta de link para download etc…
Veja na FONTE até ser revisado o conteúdo.
Status (Ok Até agora)
Se tiver algum erro coloque nos comentários


