O circuito VFD trifásico apresentado (desenhado por mim) pode ser usado para controlar a velocidade de qualquer motor CA escovado trifásico ou mesmo um motor CA sem escova. A ideia foi pedida pelo Sr. Tom
Usando o VFD
O circuito VFD trifásico proposto pode ser aplicado universalmente para a maioria dos motores CA trifásicos onde a eficiência da regulação não é muito crítica.
Ele pode ser usado especificamente para controlar a velocidade do motor de indução de gaiola de esquilo com um modo de malha aberta e possivelmente também no modo de malha fechada, que será discutido na parte posterior do artigo.
Módulos necessários para o inversor trifásico
Para projetar o VFD trifásico proposto ou o circuito de acionamento de frequência variável, os seguintes estágios fundamentais do circuito são essencialmente necessários:
- Circuito controlador de tensão PWM
- Circuito de driver de ponte H de lado alto/baixo de 3 fases
- Circuito gerador trifásico
- Voltagem para o circuito do conversor de frequência para geração do parâmetro V/Hz.
Vamos aprender os detalhes de funcionamento dos estágios acima com a ajuda da seguinte explicação:
Um circuito controlador de tensão PWM simples pode ser visto no diagrama abaixo:


O controlador PWM
Eu já incorporei e expliquei o funcionamento do estágio do gerador PWM acima, que é basicamente projetado para gerar uma saída PWM variável no pino 3 do IC2 em resposta ao potencial aplicado no pino 5 do mesmo IC.
A predefinição de 1K mostrada no diagrama é o botão de controle RMS, que pode ser ajustado adequadamente para adquirir a quantidade proporcional desejada de tensão de saída na forma de PWMs no pino3 do IC2 para processamento adicional. Isso é definido para produzir uma saída correspondente que pode ser equivalente à rede elétrica de 220 V ou 120 V CA RMS.
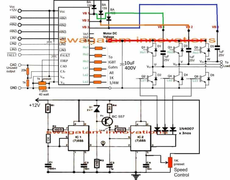
O circuito do driver da ponte H
O próximo diagrama abaixo mostra um circuito de driver trifásico de ponte H de chip único usando o IC IRS2330.
O design parece direto, pois a maioria das complexidades é tratada pelos circuitos sofisticados embutidos dos chips.
Um sinal trifásico bem calculado é aplicado nas entradas HIN1/2/3 e LIN1/2/3 do IC através de um estágio gerador de sinal trifásico.
As saídas do IC IRS2330 podem ser vistas integradas com 6 mosfets ou rede em ponte IGBTs, cujos drenos estão devidamente configurados com o motor que precisa ser controlado.
As portas mosfet/IGBT do lado baixo são integradas com o pino 3 do IC2 do estágio do circuito gerador PWM discutido acima para iniciar a injeção PWM no estágio mosfet da ponte. Esta regulação acaba por ajudar o motor a obter a velocidade desejada de acordo com as configurações (através do pré-ajuste de 1 k no primeiro diagrama).



No diagrama a seguir, visualizamos o circuito gerador de sinal trifásico necessário.




Configurando o Circuito Gerador Trifásico
O gerador trifásico é construído em torno de um par de chips CMOS CD4035 e CD4009, que gera sinais trifásicos dimensionados com precisão nas pinagens mostradas.
A frequência dos sinais trifásicos depende dos clocks de entrada alimentados que devem ser 6 vezes o sinal trifásico pretendido. Ou seja, se a frequência trifásica necessária for 50 Hz, o clock de entrada deve ser 50 x 6 = 300 Hz.
Isso também implica que os relógios acima podem ser variados para variar a frequência efetiva do driver IC que, por sua vez, seria responsável por variar a frequência operacional do motor.
No entanto, como a alteração de frequência acima precisa ser automática em resposta à variação de tensão, um conversor de tensão para frequência se torna essencial. A próxima etapa discute um circuito conversor de tensão para frequência simples e preciso para a implementação necessária.
Como criar uma razão V/F constante
Normalmente em motores de indução, para manter uma eficiência ideal da velocidade e do torque do motor, a velocidade de escorregamento ou a velocidade do rotor precisam ser controladas, o que, por sua vez, torna-se possível mantendo uma relação V/Hz constante. Como o fluxo magnético do estator é sempre constante, independentemente da frequência de alimentação de entrada, a velocidade do rotor torna-se facilmente controlável mantendo a relação V/Hz constante.
Em um modo de malha aberta, isso pode ser feito aproximadamente mantendo relações V/Hz predeterminadas e implementando-as manualmente. Por exemplo, no primeiro diagrama, isso pode ser feito ajustando adequadamente o R1 e o preset 1K. R1 determina a frequência e o 1K ajusta o RMS da saída, portanto, ajustando adequadamente os dois parâmetros, podemos impor manualmente a quantidade necessária de V/Hz.
No entanto, para obter um controle relativamente preciso de torque e velocidade de um motor de indução, temos que implementar uma estratégia de malha fechada, em que os dados de velocidade de escorregamento precisam ser alimentados no circuito de processamento para um ajuste automático da relação V/Hz para que este valor sempre permanece próximo de constante.
Implementando o feedback de circuito fechado
O primeiro diagrama desta página pode ser modificado adequadamente para projetar a regulação automática de V/Hz em malha fechada, conforme mostrado abaixo:




Na figura acima, o potencial no pino 5 do IC2 determina a largura do SPWM que é gerado no pino 3 do mesmo IC. Os SPWM são gerados comparando a amostra de ondulação de 12V da rede no pino 5 com a onda triangular no pino 7 do IC2, e isso é alimentado aos mosfets do lado baixo para o controle do motor.
Inicialmente este SPWM é ajustado em algum nível ajustado (usando 1K perset) que aciona as portas IGBT do lado baixo da ponte trifásica para iniciar o movimento do rotor no nível de velocidade nominal especificado.
Assim que o rotor do rotor começa a girar, o tacômetro conectado com o mecanismo do rotor faz com que uma quantidade adicional proporcional de tensão se desenvolva no pino 5 do IC2, isso proporcionalmente faz com que os SPWMs fiquem mais largos, causando mais tensão nas bobinas do estator do motor. Isso causa um aumento adicional na velocidade do rotor, causando mais tensão no pino 5 do IC2, e isso continua até que a tensão equivalente do SPWM não seja mais capaz de aumentar e a sincronização do rotor do estator atinja um estado estacionário.
O procedimento acima se auto-ajusta ao longo dos períodos de operação do motor.
Como fazer e integrar o tacômetro
Um projeto de tacômetro simples pode ser visto no diagrama a seguir, que pode ser integrado ao mecanismo do rotor de forma que a frequência rotacional seja capaz de alimentar a base do BC547.



Aqui, os dados de velocidade do rotor são coletados de um sensor de efeito hall ou uma rede de LED/sensor IR e são alimentados na base do T1.
T1 oscila nesta frequência e ativa o circuito do tacômetro feito configurando apropriadamente um circuito monoestável IC 555.
A saída do tacômetro acima varia proporcionalmente em resposta à frequência de entrada na base de T1.
À medida que a frequência aumenta, a tensão na saída D3 do lado direito extremo também aumenta e vice-versa, e ajuda a manter a relação V/Hz em um nível relativamente constante.
Como controlar a velocidade
A velocidade do motor usando V/F constante pode ser alcançada alterando a entrada de frequência na entrada de clock do IC 4035. Isso pode ser alcançado alimentando uma frequência variável de um circuito astável IC 555 ou qualquer circuito astável padrão para a entrada de clock do IC 4035.
A alteração da frequência altera efetivamente a frequência de operação do motor, o que diminui a velocidade de escorregamento correspondente.
Isso é detectado pelo tacômetro, e o tacômetro reduz proporcionalmente o potencial no pino 5 do IC2 que por sua vez reduz proporcionalmente o conteúdo de SPWM no motor e consequentemente a tensão para o motor é reduzida, garantindo a variação da velocidade do motor com a correta necessária relação V/F.
Um conversor caseiro de V para F




No circuito conversor de tensão para frequência acima, um IC 4060 é usado e sua resistência dependente de frequência é influenciada por um conjunto de LED/LDR para as conversões pretendidas.
O conjunto LED/LDR é selado dentro de uma caixa à prova de luz e o LDR é posicionado em um resistor dependente de frequência de 1M do IC.
Como a resposta LDR/LDR é bastante linear, a iluminação variável do LED no LDR gera uma frequência proporcionalmente variável (aumentando ou diminuindo) no pino3 do IC.
O FSD ou a faixa V/Hz do estágio pode ser ajustado configurando apropriadamente o resistor de 1M ou mesmo o valor C1.
A tensão do LED é derivada e iluminada através dos PWMs do primeiro estágio do circuito PWM. Isso implica que, à medida que os PWMs variam, a iluminação do LED também varia, o que, por sua vez, daria origem a uma frequência proporcionalmente crescente ou decrescente no pino 3 do IC 4060 no diagrama acima.
Integrando o conversor com o VFD
Esta frequência variável do IC 4060 agora simplesmente precisa ser integrada com a entrada de clock do IC CD4035 do gerador trifásico.
Os estágios acima formam os principais ingredientes para fazer um circuito VFD trifásico.
Agora, seria importante discutir sobre o DC BUS necessário para alimentar os controladores de motor IGBT e os procedimentos de configuração para todo o projeto.
O DC BUS aplicado nos trilhos da ponte H do IGBT pode ser obtido retificando a entrada de rede trifásica disponível usando a seguinte configuração de circuito. Os trilhos IGBT DC BUS são conectados nos pontos indicados como “load”




Para uma fonte monofásica, a retificação pode ser implementada usando a configuração padrão de rede em ponte de 4 diodos.
Como configurar o circuito VFD trifásico proposto
Pode ser feito de acordo com as seguintes instruções:
Depois de aplicar a tensão do barramento CC nos IGBTs (sem o motor conectado), ajuste a predefinição PWM 1k até que a tensão nos trilhos se torne igual às especificações de tensão do motor pretendidas.
Em seguida, ajuste a predefinição do IC 4060 1M para ajustar qualquer uma das entradas do IC IRS2330 para o nível de frequência correto necessário de acordo com as especificações do motor fornecidas.
Após a conclusão dos procedimentos acima, o motor especificado pode ser conectado e fornecido com diferentes níveis de tensão, parâmetro V/Hz e confirmado para uma operação automática de V/Hz sobre o motor conectado.
Hashtags: #Como #fazer #circuito #VFD #trifásico
FONTE
Nota: Este conteúdo foi traduzido do Inglês para português (auto)
Pode conter erros de tradução
Olá, se tiver algum erro de tradução (AUTO), falta de link para download etc…
Veja na FONTE até ser revisado o conteúdo.
Status (Ok Até agora)
Se tiver algum erro coloque nos comentários


