O post discute um circuito de controle remoto FM baseado em DTM que pode ser usado para controlar remotamente 4 aparelhos individuais pressionando quatro botões correspondentes no fone do transmissor DTMF. A ideia foi solicitada pelo Sr. Sunaabh Sarkar.
Especificações técnicas
Encontrei seu blog “Homemade The Designs Just for You” por acaso, enquanto pesquisava algum circuito e, francamente, estou muito impressionado com suas entradas.
Sou arquitecto de profissão mas quando se trata de hobby É a fotografia depois da minha primeira escolha.. electrónica. Quando criança, cerca de 4 décadas atrás, eu costumava ficar fascinado assistindo meus colegas veteranos da classe Naval NCC construir navios em nosso laboratório de eletrônica.
A paixão ficou no coração e agora, quando fui forçado a me aposentar da minha profissão ativa devido a algumas circunstâncias inevitáveis, achei que era a hora certa de perseguir o que sempre quis fazer em meu coração . Construir um modelo de trabalho de navios… bem, apenas para se divertir.
Comecei com os velhos brinquedos RC com os quais meus filhos costumavam brincar “engenharia reversa” para meu benefício enquanto construía os 5 recipientes (todos com resíduos domésticos, como canetas esferográficas velhas, tampas de controle remoto, tubos de conduíte flexíveis descartados, plástico garrafas e coisas assim),
Eu até agora construí. Quando não havia mais brinquedos RC antigos, eu ia comprar alguns novos e baratos e usava a eletrônica para alimentar meus modelos.
Novas ou antigas, as unidades RC comercialmente disponíveis vieram com suas limitações (como alcance ou desempenho).
Os profissionais que outros modelistas usam vêm com seus próprios engates e que, se não fosse por seus preços exorbitantes, permaneceram indisponíveis por um motivo ou outro.
Eu gostaria de ter a chance de estudar eletrônica como matéria do meu ensino superior, para que eu pudesse projetar circuitos eletrônicos em vez de projetar casas;).
No entanto, eu tinha essa idéia já há algum tempo, embora confesso que não é uma novidade ou exclusividade… controlar dispositivos usando códigos DTMF. Desde que os telefones celulares ocuparam os assentos da frente, os telefones fixos de botão de pressão tornaram-se moda e eu estava pensando em ligar um deles para gerar códigos DTMF … e depois alimentar esses códigos em um transmissor de áudio na faixa de FM.
O sinal transmitido pode ser recebido por um receptor FM. Os tons DTMF transmitidos podem então ser decodificados por um circuito de decodificação para acionar pelo menos 6 circuitos individuais que acionam motores de brinquedo. Mas o idiota que sou, só posso sonhar.
Googlar me ajuda pouco. Existem alguns circuitos disponíveis on-line, mas eles também exigem programação… bem na minha idade, acho que quando eu souber escrever um programa e usar um, restará pouco da minha visão cada vez menor para construir meu navio dos sonhos.
Eu queria saber se você poderia gentilmente me ajudar projetando/sugerindo/ajudando-me a montar circuitos para uma interface DTMF simples para atingir facilmente meu objetivo usando circuitos simples e componentes passivos.
Por todo o trabalho que você teve para examinar meticulosamente minha correspondência, e também por seus esforços e tempo para me ajudar, falando francamente, toda a remuneração que posso oferecer a você são meus votos de felicidades e sinceros agradecimentos e gratidão.
Obrigado e cumprimentos e TC. Deus abençoe
Sunaabh Sarkar (Mistral)
O O circuito Projeto
Alguns circuitos de controle remoto FM baseados em DTMF podem ser vistos nos diagramas a seguir com base na solicitação proposta.
O primeiro diagrama é o circuito transmissor dtmf, enquanto o segundo é o circuito receptor dtmf.
Todos nós basicamente sabemos como funcionam os circuitos de um codificador/decodificador DTMF processando um tom de dupla frequência configurado exclusivamente para os botões específicos do teclado incluso.
É popularmente utilizado na área de telecomunicações onde os teclados dos telefones são atribuídos com estes códigos (DTMF) para permitir que a extremidade do receptor correspondente identifique os botões pressionados e complete os procedimentos de conexão de chamadas com precisão.
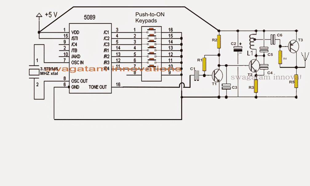
O Estágio do Transmissor DTMF
No primeiro circuito transmissor DTMF FM, o gerador dtmf IC 5089 é usado e configurado em sua forma padrão. O IC responde ao pressionar dos botões do teclado conectado gerando as combinações relevantes de tom alto/baixo em sua pinagem #16.
Esta saída DTMF é alimentada a um circuito transmissor FM que capta os dados de áudio e os transmite no ar através de sua antena.
O estágio do transmissor FM mostrado é um pouco diferente dos comuns, pois inclui um estágio adicional na forma de T3 e uma rede de tanques LC com derivação centralizada.
Essa modificação o torna muito mais poderoso do que os tipos comuns de transistor único e o aprimora com uma faixa de transmissão mais alta.
INFORMAÇÕES COMPLETAS SOBRE O ESTÁGIO DO TRANSMISSOR PODEM SER ENCONTRADAS AQUI
Diagrama de circuito


Estágio do Receptor DTMF
Como o circuito transmissor DTMF explicado acima usa uma topologia FM, o receptor também deve ser baseado em FM, para capturar e processar os dados transmitidos.
Um rádio FM comum ou um cartão receptor é tudo o que é necessário para coletar as informações transmitidas da unidade transmissora.
O áudio DTMF recebido pelo receptor é encaminhado em seguida para um estágio de circuito decodificador DTMF M8870 padrão que detecta e processa efetivamente os dados DTMF recebidos pelo rádio FM.
De acordo com as especificações do IC, suas saídas ligam e desligam correspondentemente de acordo com os tons DTMF gerados e transmitidos pelo estágio do transmissor.
A comutação acima das saídas do M8870 IC é integrada a 4 estágios de flip-flop baseados em IC 4013 configurados discretamente que respondem alternando os estágios de driver de relé anexados.
Os relés podem ser conectados às cargas relevantes para alcançar a comutação pretendida através do fone do transmissor DTMF.
Circuito Receptor DTMF


Hashtags: #Circuito #controle #remoto #baseado #DTMF
FONTE
Nota: Este conteúdo foi traduzido do Inglês para português (auto)
Pode conter erros de tradução
Olá, se tiver algum erro de tradução (AUTO), falta de link para download etc…
Veja na FONTE até ser revisado o conteúdo.
Status (Ok Até agora)
Se tiver algum erro coloque nos comentários


