O post explica um circuito simples de medidor/sensor de fluxo de água usando sensor de efeito hall e um circuito contador de pulso.
Referindo-se ao diagrama mostrado abaixo, podemos ver um arranjo que consiste em um invólucro circular com um par de tubos perfurados e uma roda em forma de turbina circular instalada dentro do invólucro.


Como funciona
As conexões de tubulação permitem que a água entre por um dos encaixes e saia do outro lado do encaixe do gabinete.
As hélices ou asas da turbina estendidas são propositadamente colocadas no caminho da água corrente para que ela comece a girar em resposta à força exercida pela água corrente nos eixos.
Um ímã pode ser visto fixado na extremidade externa de uma das hélices da turbina e um sensor magnético de efeito hall complementar fixo na periferia externa do invólucro.
Quando a turbina gira em resposta à taxa de fluxo de água ou pressão de fluxo, o ímã conectado corta perto do sensor de efeito hall, induzindo uma tensão de disparo nele a cada ciclo de rotação.
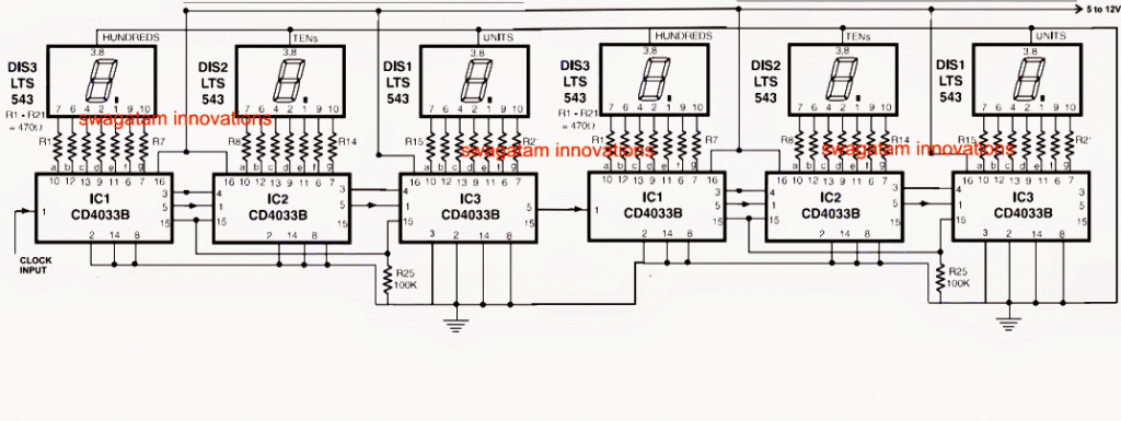
Integração com um circuito decodificador digital
Esta voltagem pulsada do sensor de efeito hall correspondente ao caudal da água é alimentada apropriadamente a um circuito descodificador de 7 segmentos IC 4033 em cascata para indicar o consumo de água registado em qualquer instante particular.


A imagem acima mostra um contador de pulsos de 3 dígitos, a entrada do relógio do circuito pode ser integrada aos acionadores do sensor hall para obter a taxa de consumo de água pretendida.
Hashtags: #Sensor #fluxo #água #analógicocircuito #medidor #Verifique #taxa #fluxo #água
FONTE
Nota: Este conteúdo foi traduzido do Inglês para português (auto)
Pode conter erros de tradução
Olá, se tiver algum erro de tradução (AUTO), falta de link para download etc…
Veja na FONTE até ser revisado o conteúdo.
Status (Ok Até agora)
Se tiver algum erro coloque nos comentários


