Projetos de circuito eletrônicoInversoresCircuito inversor de onda senoidal pura usando IC 4047

Circuito inversor de onda senoidal pura usando IC 4047

Um circuito inversor de onda senoidal pura muito eficaz pode ser feito usando o IC 4047 e um par de IC 555 junto com alguns outros componentes passivos. Vamos aprender os detalhes abaixo.

O Conceito de Circuito

No post anterior discutimos as principais especificações e ficha técnica do IC 4047 onde aprendemos como o IC pode ser configurado em um circuito inversor simples sem envolver nenhum circuito oscilador externo.

Neste artigo, continuamos o projeto um pouco à frente e aprendemos como ele pode ser aprimorado em um circuito inversor de onda senoidal pura usando alguns ICs 555 adicionais junto com o IC 4047 existente.

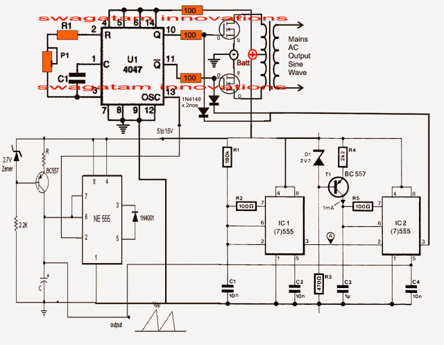
A seção do IC 4047 permanece basicamente a mesma e é configurada em seu modo multivibrador de funcionamento livre normal com sua saída estendida com o estágio mosfet/transformador para a conversão necessária de 12V para a rede CA.

Como funciona o IC 4047

O IC 4047 gera as ondas quadradas usuais para os mosfets conectados criando uma saída de rede no secundário do transformador que também está na forma de onda quadrada AC.

A integração dos dois 555 IC ao estágio acima transforma completamente a saída em uma onda senoidal pura AC. A explicação a seguir revela o segredo por trás do funcionamento do IC555 para o acima.

Referindo-se ao circuito inversor de onda senoidal pura IC 4047 mostrado abaixo (projetado por mim), podemos ver dois estágios IC 555 idênticos, em que a seção esquerda funciona como um gerador de dente de serra controlado por corrente, enquanto a seção do lado direito como um gerador PWM controlado por corrente .

O disparo de ambos os 555 ICs é derivado da saída do oscilador prontamente disponível no pino 13 do IC 4047. Esta frequência seria 100Hz se o inversor for destinado a operações de 50Hz e 120Hz para aplicações de 60Hz.

Usando IC 555 para a Geração PWM

A seção esquerda 555 gera uma onda dente de serra constante através de seu capacitor que é alimentado para a entrada de modulação do IC2 555 onde este sinal dente de serra é comparado com o sinal de alta frequência do pino3 do IC1 555 criando o PWM equivalente de onda senoidal pura necessário no pino # 3 de 555 IC2.

O PWM acima é aplicado diretamente nas portas dos mosfets. para que os pulsos quadrados aqui gerados através do pino 10/11 do IC4047 sejam cortados e “esculpidos” de acordo com os PWMs aplicados.

A saída resultante para o transformador também faz com que uma onda senoidal pura seja intensificada na saída secundária CA da rede elétrica do transformador.

A fórmula para calcular R1, C1 é fornecida neste artigo, que também nos informa sobre os detalhes de pinagem do IC 4047

Para o NE555 o estágio C pode ser selecionado próximo a 1uF e R como 1K.

Forma de onda de saída assumida

Mais informações sobre como usar o IC 555 para gerar PWM

Um ajuste RMS pode ser adicionado ao projeto acima, introduzindo uma rede divisora ​​de tensão do potenciômetro no pino 5 e na entrada da fonte do triângulo, como mostrado abaixo, o projeto também inclui transistores de buffer para melhorar o comportamento do mosfet

O projeto do inversor de onda senoidal pura acima foi testado com sucesso pelo Sr. Arun Dev, que é um dos ávidos leitores deste blog e um intenso hobby eletrônico. As imagens a seguir enviadas por ele comprovam seus esforços para o mesmo.

Mais comentários

Resposta inspiradora recebida do Sr. Arun em relação aos resultados do inversor IC 4047 acima:

Depois de completar este circuito, o resultado foi incrível. Eu tenho potência total pela lâmpada de 100 W. Não podia acreditar em meus olhos.

A única diferença que fiz neste projeto foi substituir o 180 K no segundo 555 por um potenciômetro de 220 K para ajustar as frequências com precisão.

Desta vez, o resultado foi frutífero em todos os aspectos … Ao ajustar o pote, pude obter um brilho de potência total não perturbador e não cintilante na lâmpada, também o transformador de 230/15 V conectado como a carga deu uma frequência entre 50 e 60 (digamos 52 Hz).

O potenciômetro foi ajustado suavemente para obter uma saída de alta frequência (digamos 2 Khz) do pino 3 do segundo ic 555. A seção CD4047 melhor calibrada para obter 52 Hz nos dois terminais de saída….

Também estou enfrentando um problema simples. Eu usei mosfets IRF3205 no estágio de saída. Esqueci de conectar os diodos de segurança nos terminais de drenagem de cada mosfet…

Então, quando tentei conectar outra carga (digamos, ventilador de mesa) em paralelo à carga fornecida (lâmpada de 100 W), o brilho da lâmpada também a velocidade do ventilador foi reduzida um pouco e um dos MOSFET foi queimado devido a a ausência do diodo.

O circuito inversor de onda senoidal 4047 acima também foi testado com sucesso pelo Sr. Daniel Adusie (biannz), que é um visitante regular deste blog e um entusiasta da eletrônica trabalhadora. Seguem as imagens enviadas por ele verificando os resultados:

Saída do osciloscópio de forma de onda dente de serra

Iluminando uma lâmpada de teste de 100 Watts

As imagens a seguir mostram as formas de onda modificadas na saída do transformador conforme capturadas pelo Sr. Daniel Adusie após conectar um capacitor de 0,22uF/400V e uma carga adequada.

As formas de onda são um tanto trapezoidais e são muito melhores do que uma onda quadrada, o que mostra claramente os efeitos impressionantes do processamento PWM criado pelos estágios IC555.

As formas de onda provavelmente poderiam ser ainda mais suavizadas adicionando um indutor junto com o capacitor.

Mostrando um traçado de osciloscópio de onda senoidal próxima após a filtragem PWM

Interessante feedback recebido do Sr. Johnson Isaac, que é um dos leitores dedicados deste blog:

Bom Dia
Em seu post, Pure Sine Wave Inverter usando 4047, no segundo estágio Ic (ic.1) você usou resistor de 100 ohms entre os pinos 7 e 6.,
Isso é correto? Eu costumo pensar que um multivibrador astável usando configuração de 555 pinos deve ter os 100 ohms entre os pinos 7 e 6. Além disso, a variável de 180k entre o pino 8 (+) e o pino 7. Por favor, verifique a conexão dos pinos e me corrija, por favor. Porque oscila às vezes e às vezes também não. Obrigado,
Isaac Johnson

Resolvendo o problema do circuito:

Na minha opinião, para uma melhor resposta, você pode tentar conectar um resistor adicional de 1k na extremidade externa de 100 ohm e no pino 6/2 do IC1

Johnson:

Muito obrigado pela sua resposta. Eu realmente construí o inversor que você deu em seu blog e funcionou.

Embora eu não tenha um osciloscópio para observar a forma de onda de saída, mas aposto que os leitores são bons porque ele operava uma lâmpada de tubo fluorescente na qual qualquer inversor modificado ou pwm não pode ligar.

Veja a foto senhor. Mas meu desafio agora é quando adiciono carga, a saída pisca às vezes. Mas estou feliz que é uma onda senoidal.

Opções de aparência mais simples

O conceito a seguir discute um método bastante mais simples de modificar um inversor de onda quadrada comum usando IC 4047 em um inversor de onda senoidal através da tecnologia PWM. A ideia foi pedida pelo Sr. Philip

Especificações técnicas

Espero não ser um incômodo, mas preciso de alguns conselhos com um inversor de onda senoidal modificado controlado por PWM que estou projetando, então quero buscar sua opinião de especialista.

Este design simples é provisório, ainda não o implementei, mas gostaria que você desse uma olhada nele e me dissesse o que pensa.

Também quero que você ajude a responder a algumas perguntas para as quais não consegui encontrar respostas.

Tomei a liberdade de anexar uma imagem de um quase-diagrama de blocos do meu projeto provisório para sua consideração.

Por favor, me ajude. No diagrama, o IC CD4047 no inversor é responsável por gerar pulsos de onda quadrada em 50Hz que serão usados ​​para ligar alternadamente os MOSFETS Q1 e Q2.

O circuito PWM será baseado no IC NE555 e sua saída será aplicada na porta do Q3 para que o Q3 forneça o PWM. Além disso, tenho duas perguntas.

Primeiro, posso usar ondas quadradas para os pulsos PWM? Em segundo lugar, qual é a relação entre a frequência PWM e a frequência de fornecimento? Que frequência PWM devo usar para uma saída de inversor de 50Hz?

Espero que este projeto seja viável, acho que é viável, mas quero sua opinião de especialista antes de comprometer recursos escassos para implementar o projeto.

Ansioso para ouvir de você senhor!

Atenciosamente, Felipe

Resolvendo a solicitação de circuito

A configuração mostrada na segunda figura funcionaria, mas somente se o mosfet PWM de derivação central for substituído por um mosfet de canal p.

A seção PWM deve ser construída conforme explicado neste artigo:

O PWM transforma as ondas quadradas planas em uma onda quadrada modificada, cortando-as em seções calculadas menores, de modo que o RMS geral da forma de onda se torne o mais próximo possível de uma contraparte senoidal real, mantendo o nível de pico igual à entrada real da onda quadrada . O conceito pode ser aprendido em detalhes aqui:

No entanto, a transformação acima não ajuda a eliminar os harmônicos.

A frequência PWM estará sempre na forma de ondas quadradas cortadas.

A frequência PWM é irrelevante e pode ter qualquer valor alto, preferencialmente em kHz.

Hashtags: #Circuito #inversor #onda #senoidal #pura #usando
 

FONTE


Nota: Este conteúdo foi traduzido do Inglês para português (auto)
Pode conter erros de tradução

Olá, se tiver algum erro de tradução (AUTO), falta de link para download etc…
Veja na FONTE até ser revisado o conteúdo.
Status (Ok Até agora)


Se tiver algum erro coloque nos comentários

Mas se gostou compartilhe!!!

Relacionados