O temporizador ajustável IC 555 explicado aqui pode ser ajustado de qualquer atraso de 1 segundo a 3 horas para operar qualquer carga através de um controle de relé
O atraso de tempo produzido é totalmente ajustável e o usuário tem a liberdade de definir o período de tempo conforme desejado.
Existem muitas maneiras de fazer circuitos temporizadores simples usando diferentes CIs e componentes discretos; aqui discutimos um desses circuitos usando o onipresente IC 555.
O IC 555 é uma peça eletrônica bastante comum entre os entusiastas da eletrônica e também é muito popular devido às configurações simples envolvidas e baixa contagem de componentes.
Os dois modos populares de operação do multivibrador associados a este IC são o modo astável e o modo monoestável. Ambas são configurações úteis e têm muitas aplicações diferentes.
Usando o IC 555 no modo monoestável
Para o presente projeto de circuito temporizador ajustável IC 555, incorporamos o segundo modo de operação, que é o modo monoestável.
Neste modo de operação o IC está configurado para receber um trigger externamente, de forma que sua saída mude de estado, ou seja, se com referência ao terra se a saída do IC for zero, então ele se tornaria positivo assim que o trigger (momentâneo ) é recebido em seu terminal de entrada.
Esta mudança em sua saída é sustentada por um certo período de tempo, dependendo dos componentes externos determinantes do tempo. Normalmente, os componentes determinantes do tempo estão na forma de um resistor e um capacitor que juntos determinam ou fixam o período de tempo pelo qual a saída do IC manteria sua posição “alta”.
Alterando o valor do capacitor ou do resistor, o tempo pode ser alterado conforme desejado. Os componentes de fixação de tempo acima são denominados como o componente RC.


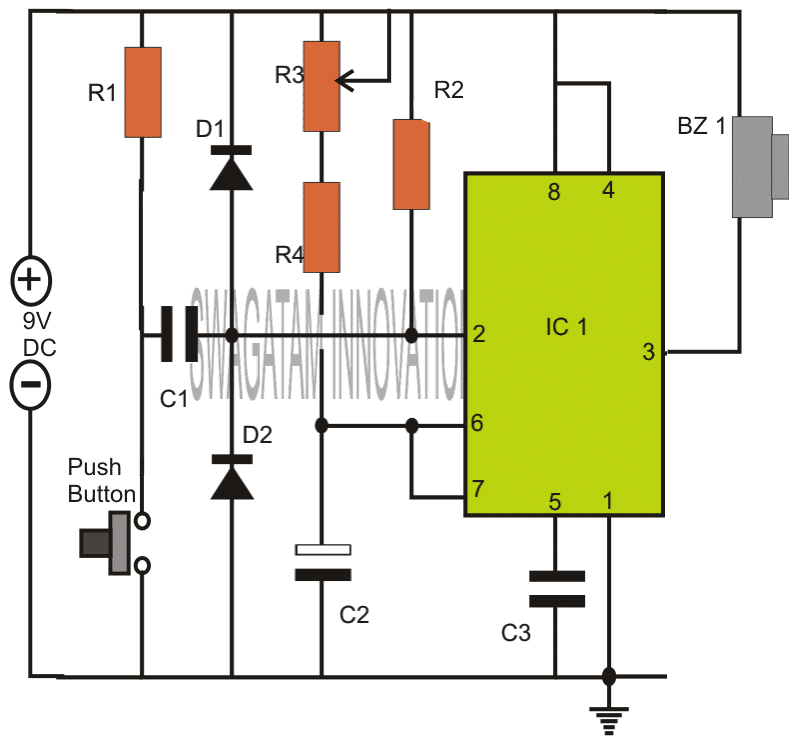
Nota: Por favor, conecte a campainha ou a carga entre o pino 3 e o terra, e não entre o pino 3 e o positivo, conforme mostrado incorretamente no diagrama acima.
Como funciona o circuito
O circuito temporizador 555 IC acima mostra um design muito simples, onde o IC 555 forma a parte central de controle do circuito. Conforme discutido na seção acima, o IC está em seu modo monoestável padrão.
O pino 2 recebe o gatilho de tempo externo de um interruptor push-to-ON. Uma vez que este interruptor é pressionado, o circuito puxa sua saída para um potencial positivo e o mantém até que o atraso de tempo predeterminado termine.
O circuito inteiro pode ser construído sobre um pequeno pedaço de PCB geral e alojado dentro de um gabinete plástico de aparência elegante junto com a bateria.
A saída pode ser conectada idealmente a um buzzer para receber o alarme de advertência após o tempo definido.




Lista de peças
- R1, R4 = 4K7,
- R2 = 10K,
- R3 = pote de 1M,
- C1 = 0,47uF,
- C2 = 1000uF/25V,
- C3 = 0,01uF,
- IC1 = 555,
- Bz1 = Campainha Piezo,
Botão de pressão = design do circuito do interruptor de pressão para ON solicitado pelo Sr.Bourgeoisie:




Por favor, conecte a campainha ou a carga entre o pino 3 e o terra, e não entre o pino 3 e o positivo, conforme mostrado incorretamente no diagrama acima.
Circuito temporizador com comutação de relé
Se você está se perguntando como os circuitos de temporizador simples acima podem ser usados para acionar uma carga de alta potência por meio de comutação de relé, o diagrama a seguir ajudará você a implementar o mesmo anexando um estágio de relé simples com os designs mostrados:




Operação do Circuito
No diagrama mostrado, quando a energia é ligada, o IC entra em estado de espera e nenhuma ação de disparo é iniciada neste momento.
No entanto, assim que o botão é pressionado, o pino 2 é puxado para o terra, o que aciona instantaneamente o IC no modo de contagem monoestável e o relé é ativado. A carga conectada com o relé também é ativada.
O IC inicia a contagem e, dependendo dos valores de R3/R4 e C2, uma vez decorrido o período de tempo, o IC reinicia para o modo de espera anterior desativando o relé. A carga do relé também é desativada nesta situação.
O ciclo se repete cada vez que o botão de pressão é pressionado, permitindo que o usuário alcance o recurso de temporização acionado por relé ON OFF no circuito.
O intervalo de tempo pode ser aumentado ou diminuído até certo ponto alterando adequadamente o valor do pote R3 e/ou modificando o valor de C2.
Imagens de protótipo
O circuito temporizador ajustável 555 explicado acima foi construído e testado com sucesso pelo Sr. Vee, que é um dos leitores dedicados deste blog e um sério aficionado por eletrônica.
O circuito foi apropriadamente modificado para se adequar à sua aplicação de temporizador pessoal. A imagem modificada pode ser visualizada no diagrama a seguir:



As imagens do protótipo da unidade de timer acima podem ser testemunhadas conforme mostrado abaixo (construído e testado pelo Sr. Vee):









Hashtags: #Circuito #temporizador #ajustável #usando
FONTE
Nota: Este conteúdo foi traduzido do Inglês para português (auto)
Pode conter erros de tradução
Olá, se tiver algum erro de tradução (AUTO), falta de link para download etc…
Veja na FONTE até ser revisado o conteúdo.
Status (Ok Até agora)
Se tiver algum erro coloque nos comentários

