O post explica como fazer a interface de um sinal Arduino PWM existente com qualquer inversor para convertê-lo em um inversor equivalente de onda senoidal. A ideia foi solicitada pelo Sr. Raju Visshwanath
Especificações técnicas
Estou precisando dos seguintes projetos de circuito inversor:
Inversor monofásico DC para AC. Entrada 230 VDC. Os sinais PWM serão enviados do Arduino Uno.
Inversor trifásico DC para AC. Entrada 230 VDC. Os sinais PWM serão enviados do Arduino Uno.
Você pode me informar suas taxas de serviço estimadas, prazo de entrega e condições de pagamento?
Obrigado,
Raju Visshwanath
ATUALIZAR:
Consulte também este artigo que explica como construir um circuito inversor de onda senoidal pura simples usando Arduino usando SPWM …… Código do programa completo também incluído ….
O design
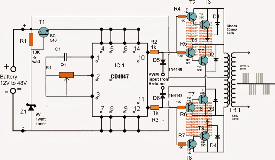
De acordo com o pedido, o primeiro diagrama abaixo mostra um inversor de onda senoidal PWM monofásico usando uma alimentação Arduino para os PWMs.
O design parece bastante simples, o IC 4047 é configurado como um totem astável para gerar a frequência básica de 50 Hz ou 60 Hz.
Essa frequência aciona os dois estágios do transistor BJ de potência alternadamente na taxa de frequência especificada.
Os transistores podem ser substituídos por IGBTs para obter melhor eficiência, mas os mosfets devem ser evitados, pois podem exigir atenção especial ao projetar o PCB e estágios BJT de buffer adicionais para evitar o aquecimento dos mosfets de possíveis indutâncias ou harmônicos ocultos.


Operação do Circuito
No diagrama acima P1 e C1 determine a frequência do astável que pode ser ajustada configurando adequadamente P1 usando um medidor de frequência para a frequência de operação do inversor pretendida.
T1 e os componentes associados que estabilizam um 9V fixo para o IC 4047 podem ser eliminados se a tensão de operação do inversor selecionado não for superior a 15V, no entanto, uma tensão mais alta de até 60V pode ser tentada e é recomendado para obter um design de inversor compacto e mais potente .
O PWM do Arduino é aplicado em redes divisoras de tensão nas duas saídas do IC através de diodos com polarização reversa que garantem que apenas os pulsos negativos dos PWMs interajam com os estágios de potência e cortem sua condução adequadamente.
Como resultado desse efeito de corte PWM, a corrente induzida dentro do transformador também é moldada de forma correspondente para alcançar a tensão de rede aumentada de onda senoidal PWM pretendida no secundário do transformador.
A frequência PWM do Arduino deve ser definida em torno de 200 Hz, se um totem programado de 50 Hz estiver disponível no Arduino, o IC4047 pode ser totalmente eliminado e os sinais podem ser integrados diretamente com as extremidades do lado esquerdo R2, R3.
Hashtags: #Como #fazer #interface #Arduino #PWM #qualquer #inversor
FONTE
Nota: Este conteúdo foi traduzido do Inglês para português (auto)
Pode conter erros de tradução
Olá, se tiver algum erro de tradução (AUTO), falta de link para download etc…
Veja na FONTE até ser revisado o conteúdo.
Status (Ok Até agora)
Se tiver algum erro coloque nos comentários


