Projetos de circuito eletrônicoCarro e motocicletaComo fazer circuito de célula de combustível HHO em...

Como fazer circuito de célula de combustível HHO em automóveis para melhor eficiência de combustível

Neste post vamos tentar investigar a fabricação do gás HHO em automóveis para aumentar sua quilometragem em aproximadamente 50% ou mais, o que significa uma redução no consumo de gasolina ou diesel na mesma quantidade.

No post anterior, tentei apresentar um projeto inovador de um gerador de baixa corrente de alta tensão que poderia ser usado para dividir a água em gás HHO (decompondo a ligação H2O em duas partes de hidrogênio e uma parte de oxigênio).

O uso de uma alta voltagem para a eletrólise permite a quebra das moléculas de água por força bruta sem a necessidade de maiores magnitudes de corrente (ampères), o que por sua vez torna o procedimento extremamente eficiente.

Podemos entender a lógica acima analisando o seguinte exemplo:

Tensão mais alta é mais eficaz

Suponha que tenhamos uma bateria de 12V capaz de fornecer uma corrente máxima de 7,5 amperes, se usarmos essa energia da bateria para a eletrólise provavelmente estaríamos implementando-a de maneira muito ineficiente e a potência necessária para a eletrólise excederia facilmente em muito a potência do gás HHO acumulado em termos de megajoules.

No entanto, se o mesmo 12V/7AH for aumentado para cerca de 20.000 tensão com uma corrente tão baixa quanto 5mA, seria capaz de produzir melhores resultados (muitas pessoas podem não concordar com isso).

Além disso, uma vez que esta alta tensão é pulsada usando um circuito PWM, a subida e descida acentuada dos pulsos aumenta o nível de eficiência do processo.

Muitos críticos argumentam e não fundamentam o uso de uma alta tensão para produzir maior eficiência, no entanto, os poucos exemplos a seguir nos fornecem evidências lógicas suficientes sobre por que uma alta tensão pode ser mais eficaz do que usar alta corrente para a eletrólise da água.

Passar um potencial de baixa tensão e alta corrente através de uma resistência muito alta pode ser inútil porque a corrente seria restrita pela alta resistência e produziria pouco efeito no processo. Como a água pura pode ser notória com seu valor de resistência (água pura pode ter uma resistência tão alta quanto 200k ou até mais), uma corrente alta em baixa tensão seria bastante ineficaz.

Pelo contrário, uma tensão mais alta seria forte o suficiente para romper a alta resistência da água e ser comparativamente mais eficaz, mesmo que um número muito menor de elétrons estivesse passando, mas, no entanto, veríamos elétrons cruzando com melhor eficiência.

Avaliando com Exemplos Práticos

Basta tentar aplicar um 12V/100amp através de um resistor de 200k e verificar a corrente com um amperímetro, de acordo com a lei de Ohms seria em torno de I = 12/200000 = 0,00006amps ou 0,06 mA, em contraste se for usado um 20.000 volts encontraríamos ser capaz de fornecer I = 20000/200000 = 0,1 amperes ou 100mA, isso parece muito impressionante, embora não queiramos que 100mA seja usado para eletrólise para evitar explosões ou atomização de água, podemos esperar cerca de 10mA para ser suficiente para o processo.

Outro exemplo que parece bastante relevante para o assunto é o nosso próprio corpo, sofremos um choque letal quando nos deparamos com uma CA de alta tensão com qualquer parte do nosso corpo, mas ao contrário se tocamos uma entrada de menor potencial como uma CA de 12V pode não sentir nada, independentemente de quão alta a fonte possa ser classificada com amperagem.

O exemplo acima fornece uma prova oficial sobre o poder da alta tensão em termos de sua capacidade de rasgar através de passagens de alta resistência, o mesmo pode ser verdade com os relâmpagos que são equipados com milhões de volts e é por isso que são capazes de derrubar o enorme barreira atmosférica e atingir a superfície terrestre.

Dito isto, na proposta de uso do gás HHO em automóveis deve-se ter cuidado para não fornecer a alta tensão com alta corrente, caso contrário isso pode levar a uma explosão dentro da água e resultar na atomização das moléculas de água o que definitivamente não é uma eletrólise .

Instalação de célula de combustível HHO em automóveis para aumentar sua eficiência de combustível

Aqui falaremos sobre o uso da ideia da célula de combustível HHO em uma motocicleta e aprenderemos o procedimento de instalação e integração com um motor de motocicleta.

Na nossa postagem anterior discutimos como o gás HHO poderia ser produzido usando um circuito de bobina CDI de alta tensão, usaremos o mesmo projeto para a implementação proposta e para melhorar a eficiência de combustível de uma motocicleta.

Como sua moto já estaria com um sistema de ignição CDI, isso poderia tornar as coisas muito mais fáceis para nós, pois poderíamos simplesmente emprestar sua função para o propósito discutido.

No entanto, devemos ter cuidado com algumas coisas: o compartilhamento do pulso de alta tensão do CDI existente não deve prejudicar a ignição real da bicicleta para a qual a bobina CDI foi originalmente instalada.

Em segundo lugar, não queremos que o alternador do veículo trabalhe muito para compensar o compartilhamento das faíscas do CDI com nossa célula de combustível HHO.

Usando o supressor de faíscas

As situações acima podem ser combatidas empregando um resistor supressor de faíscas ou um dispositivo supressor de faíscas. Este dispositivo é normalmente usado em série com a entrada de alta tensão do CDI antes de entrar na vela de ignição.

Como o nome sugere, o supressor de faísca é usado para suprimir a tensão excessiva de atingir a vela de ignição, ajudando assim a cancelar a geração de distúrbios e ruídos de RF desnecessários.

Isso significa que, em condições normais, a vela de ignição estaria desperdiçando uma boa quantidade de energia ao encurtar a alta tensão em seu centelhador, que aparentemente parece muito pequeno em comparação com a enorme tensão que foi alimentada.

O uso de um supressor garante que o excesso de tensão que de outra forma seria desperdiçado na vela de ignição agora fica restrito e é convertido em calor, que é novamente uma energia desperdiçada, a menos que seja desviada para algum propósito útil.

A utilização de um resistor supressor de faísca e desviando o excesso de energia da bobina CDI para a célula HHO parece ser uma jogada inteligente.

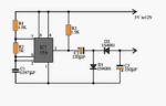
Diagrama de circuito

Uma configuração fácil de entender para gerar “gás HHO sob demanda” pode ser testemunhada no diagrama acima.

Os eletrodos são feitos de placas de aço inoxidável de boa qualidade que são adequadamente dispostas em uma formação semelhante a uma malha através de uma interseção face a face, mas sem tocar um no outro.

Usando bicarbonato de sódio para aumentar a eficiência

Um pouco de bicarbonato de sódio é adicionado à água para acelerar o processo de eletrólise e ajudar os elétrons a fluir com maior eficiência.

No recipiente da esquerda, podemos ver um tubo de ventilação, que é introduzido para permitir que o ar passe dentro do recipiente à medida que a água é eletrolisada em gás HHO. Este tubo de ventilação evita a formação de vácuo no recipiente enquanto a eletrólise está em andamento.

Como a alta tensão de entrada é derivada da bobina CDI da motocicleta ou da vela de ignição, podemos supor que ela esteja em sincronia com as RPM do motor e de acordo com a velocidade do veículo. Assim, a chance de induzir uma quantidade desproporcional de HHO dentro da câmara de combustão é controlada automaticamente, tornando os procedimentos muito mais seguros e saudáveis ​​para o motor do veículo.

A saída de gás HHO da câmara de borbulhamento é integrada diretamente com a passagem de entrada de ar da câmara de combustão da motocicleta.

Uma vez instalada e iniciada a configuração acima, pode-se esperar uma melhoria imediata no desempenho do motor da motocicleta e uma redução drástica no consumo de combustível primário.

ATENÇÃO: A PROPOSTA DE GUIA DE CONSTRUÇÃO DO GÁS HHO EM MOTOCICLETA PARA MELHORAR A SUA EFICIÊNCIA AINDA NÃO FOI TESTADO PELO AUTOR NA PRÁTICA, EXTREMO CUIDADO E CUIDADO DEVEM SER EXERCITADOS AO TENTAR A TEORIA EXPLICADA. O AUTOR NÃO SE RESPONSABILIZA EM CASO DE ACIDENTE OU FALHA DO PROJETO DURANTE A REALIZAÇÃO DO EXPERIMENTO.

Hashtags: #Como #fazer #circuito #célula #combustível #HHO #automóveis #para #melhor #eficiência #combustível
 

FONTE


Nota: Este conteúdo foi traduzido do Inglês para português (auto)
Pode conter erros de tradução

Olá, se tiver algum erro de tradução (AUTO), falta de link para download etc…
Veja na FONTE até ser revisado o conteúdo.
Status (Ok Até agora)


Se tiver algum erro coloque nos comentários

Mas se gostou compartilhe!!!

Relacionados