Neste post vamos explorar a ficha técnica do PIR ou Sensor Radial Infravermelho Piroelétrico HC-SR501. Vamos entender para que finalidade o sensor PIR é usado? Suas operações básicas de disparo, detalhes de conexão de pinos, especificações técnicas e, finalmente, veremos algumas aplicações da vida real.
Começaremos entendendo a unidade de sensor PIR real que está instalada dentro dos módulos PIR padrão e aprenderemos suas características internas, detalhes de pinagem e detalhes internos de trabalho.


O que é um sensor PIR?
PIR significa Sensor Radial Infravermelho Piroelétrico ou Sensor Infravermelho Passivo. O PIR é um sensor eletrônico que detecta as mudanças na luz infravermelha em uma certa distância e emite um sinal elétrico em sua saída em resposta a um sinal IR detectado. Ele pode detectar qualquer objeto emissor de infravermelho, como seres humanos ou animais, se estiver no alcance do sensor, ou se afastar do alcance ou se mover dentro do alcance do sensor.
O módulo do sensor PIR pode ser dividido em duas partes: um cristal sensível ao infravermelho e o circuito de processamento.
Ilustração do cristal sensível ao PIR:



A parte escura do metal onde o cristal sensível a IR está alojado, o cristal sensível pode detectar o nível de infravermelho nos arredores. Na verdade, ele abriga dois sensores piroelétricos para detectar objetos em movimento. Se um dos cristais sensíveis detecta mudança no infravermelho (incremento ou decremento) do que o outro cristal sensível, a saída é acionada.
Uma estrutura plástica em forma de cúpula é normalmente colocada sobre este cristal sensível que atua como lente para focar a luz infravermelha nos sensores.
Como funciona o PIR
A operação de sensoriamento de um sensor infravermelho piroelétrico é baseada na propriedade ou característica que se torna responsável por alterar a polarização de seu material em resposta a mudanças de temperatura.
Esses sensores empregam um duplo ou um par de elementos sensores para detectar os sinais IR em duas etapas, o que garante uma detecção infalível ao cancelar as variações de temperatura indesejadas dentro do estágio EMI existente. Este processo de detecção de duas etapas melhora a estabilidade geral do sensor e ajuda a detectar sinais IR apenas da presença humana.
Quando um ser humano ou uma fonte IR relevante passa por um sensor PIR, a radiação corta o par de elementos sensores de maneira alternada, acionando a saída para gerar um par de pulsos ON/OFF ou alto e baixo, conforme ilustrado na seguinte forma de onda:



A seguinte simulação Gif aproximada mostra como um sensor PIR responde a um humano em movimento e desenvolve alguns pulsos curtos e nítidos em seus cabos de saída para o processamento necessário ou acionar um estágio de relé configurado adequadamente




Layout interno de um PIR
A figura a seguir mostra o layout interno ou a configuração dentro de um sensor PIR padrão.



À esquerda, podemos ver um par de elementos sensores de IR conectados em série. A extremidade superior desta série é conectada ao portão de um FET embutido que atua como um pequeno amplificador de sinal IR. O resistor pull down Rg fornece a lógica zero de espera necessária para o FET para garantir que ele permaneça completamente desligado na ausência de um sinal IR.
Quando um sinal IR em movimento é detectado pelo par de elementos de detecção, ele gera um par correspondente de sinais lógicos de alta e baixa, conforme discutido acima:
Esses pulsos são amplificados apropriadamente pelo FET e replicados em seu pino de saída para processamento adicional por um circuito conectado.
Os estágios EMI associados junto com o capacitor fornecem filtragem extra ao processo, a fim de produzir um conjunto limpo de pulsos no pino de saída indicado do PIR.
Configuração de teste para o sensor PIR
A imagem a seguir mostra uma configuração de teste de sensor PIR padrão. Os pinos de saída e Vss (pino negativo) do PIR são conectados com um resistor pull down externo, o pino Vdd é fornecido com uma alimentação de 5V.



Um corpo negro estacionário gera a radiação infravermelha equivalente necessária para o sensor PIR por meio de um mecanismo de chopper. A placa picadora corta alternadamente os sinais IR imitando um alvo IR em movimento.
Este sinal IR picado atinge o sensor PIR gerando os pulsos especificados em seu pino de saída, que é adequadamente amplificado através de um amplificador operacional para análise em um osciloscópio.
As Condições de Teste Ideais para a configuração acima podem ser vistas abaixo:



Equilibrando a saída do elemento sensor
Uma vez que um mecanismo de detecção dupla é empregado em PIRs, torna-se necessário garantir que o processamento através do par de lentes seja balanceado corretamente.
Os elementos de detecção são testados e configurados adequadamente avaliando a respectiva tensão de saída de sinal único (SSOV) através da seguinte fórmula:
Saldo: |Va – Vb| / (Va + Vb) x 100%
Onde, Va = Sensibilidade do lado A (mV pico a pico)
Vb = lado de sensibilidade B (mV pico a pico)
Especificações principais
As principais especificações técnicas e parâmetros de dimensão de um sensor PIR podem ser aprendidos a partir dos seguintes detalhes:



Usando módulos internos de PIR
Hoje você encontrará módulos PIR com um sensor PIR integrado com um circuito de processamento especializado e lentes. Isso aumenta o desempenho do PIR muitas vezes e permite que o usuário final obtenha uma saída amplificada e otimizada bem definida do módulo.
Esta saída agora só precisa ser configurada com um estágio de relé para a comutação ON/OFF necessária de uma carga em resposta a uma presença humana na zona estipulada.
O circuito dentro dos módulos padrão consiste no IC BISS0001 que é projetado especificamente para aplicações de detecção de movimento. Dois botões giratórios são fornecidos, um para ajustar a sensibilidade do módulo e outro para ajustar o tempo de duração de quanto a saída deve permanecer em nível ALTO após o módulo ser acionado.



Agora vamos investigar os detalhes técnicos do sensor PIR HC-SR501.
Tensão operacional:
O HC-SR501 é de 5 V a 20 V, o que proporciona grande flexibilidade para projetistas de circuitos.
Consumo atual:
O HC-SR501 é um dispositivo com bateria amigável; seu consumo de corrente é de 65 mA quando detecta qualquer mudança na luz infravermelha.
Voltagem de saída:
Quando o módulo detecta um movimento de infravermelho a saída vai para ALTO em 3,3 V, se o módulo não detecta movimento ele vai para BAIXO ou 0 V após um período fixo.
Tempo de atraso:
Um botão é fornecido para ajustar o tempo para que a saída permaneça ALTA após detectar o IR. Este é o período de tempo pode ser ajustado de 5 segundos a 5 minutos.
Faixa de Sensibilidade:
O ângulo da área de detecção é de cerca de 110 graus de cone. Um botão é fornecido para ajustar a sensibilidade; podemos variar de 3 metros a 7 metros perpendiculares ao senhor. A sensibilidade diminui à medida que nos movemos para os lados do sensor.
Temperatura de operação:
O HC-SR501 tem uma temperatura de operação impressionante que varia de -15 a +70 graus Celsius.
Corrente quiescente:
A corrente Quiescente é a corrente consumida da fonte, quando o sensor não está detectando nenhum movimento ou quando está inativo. Ele consome menos de 50 uA, o que torna a bateria do sensor amigável.



Modos de disparo:
O módulo PIR possui dois modos de disparo: Modo de disparo único/sem repetição e disparo repetido. Esses dois modos podem ser acessados alterando a posição do jumper fornecida no módulo.
Modo de disparo único / Modo sem repetição:
Quando o sensor PIR é definido no modo de disparo único (e o botão do temporizador / tempo de atraso é definido para 5 segundos (digamos)), quando um humano é detectado, a saída fica em ALTO por 5 segundos e em BAIXO.
Repetir o modo de disparo:
Quando o sensor PIR é definido no modo de disparo repetido, quando um humano é detectado, a saída fica ALTA, o temporizador conta por 5 segundos, mas quando outro humano é detectado nesses 5 segundos, o temporizador é zerado e conta outros 5 segundos após o 2º. humano é detectado.
Tempo de bloqueio:
O tempo de bloqueio é o intervalo de tempo em que o sensor está desabilitado ou não detecta movimento. O tempo de bloqueio para HC-
SR501 é 3 segundos por padrão.
Isso ocorre após o tempo de atraso (que foi definido pelo botão do timer) a saída vai para BAIXO por 3 segundos; durante este intervalo nenhum movimento será detectado. Após os 3 segundos (LOW) o sensor estará pronto para detectar movimento novamente.
Em outras palavras, quando o sensor detecta movimento a saída vai para HIGH, a saída permanece HIGH conforme o botão do timer (digamos 5 segundos), após 5 segundos o sensor PIR vai para LOW, o sinal LOW permanecerá por 3 segundos independentemente do novo movimento se houver.
Dimensões do módulo:
O sensor é compacto o suficiente para se esconder da visão das pessoas para que não afete a decoração etc. Mede 32 mm x 24 mm.
Tamanho da lente:
A estrutura de cúpula branca que envolve o sensor piroelétrico é chamada de lentes Fresnel, que aumentam o alcance de detecção e parecem opacas. Mede 23 mm de diâmetro.
Formulários:
• Sistemas de segurança.
• Luzes automáticas.
• Controle de Autômatos Industriais.
• Portas automáticas.
Você pode encontrar alguns dos projetos usando o sensor PIR neste site.
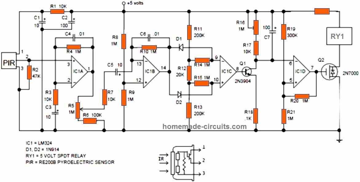
Diagrama de circuito interno do módulo PIR típico
Para os entusiastas que pretendem construir o módulo PIR completo junto com o sensor e um amplificador completo, o seguinte esquema PIR padrão pode ser empregado e usado para qualquer acionamento de aplicativo baseado em sensor PIR relevante.



Tem mais dúvidas ou perguntas? Por favor, sinta-se à vontade para publicá-los através da caixa de comentários abaixo
Hashtags: #Folha #dados #sensor #PIR #especificações #pinagem #funcionamento
FONTE
Nota: Este conteúdo foi traduzido do Inglês para português (auto)
Pode conter erros de tradução
Olá, se tiver algum erro de tradução (AUTO), falta de link para download etc…
Veja na FONTE até ser revisado o conteúdo.
Status (Ok Até agora)
Se tiver algum erro coloque nos comentários


