Projetos de circuito eletrônicoFolhas de dadosModificando o conversor Buck XL4015 com um limitador de...

Modificando o conversor Buck XL4015 com um limitador de corrente ajustável

O post explica uma maneira simples de aprimorar o conversor XL4015 DC para DC buck com um limitador de corrente ajustável, que parece estar faltando no módulo original.

Sobre XL4015

O XL4015 é um conversor DC/DC de frequência fixa PWM buck (step-down) de 180 KHz, especialmente projetado para operar uma carga de 5 V, 5 Amp com boa eficiência, mínima ondulação e excepcional regulação de linha e carga.

Construído com um número muito pequeno de peças adicionais, o módulo regulador é fácil de trabalhar e consiste em compensação de frequência integrada junto com um oscilador de frequência fixa.

O circuito de controle PWM possui taxa de serviço ajustável a uma taxa constante de 0 a 100%. O IC XL4015 também possui uma funcionalidade de proteção de sobrecorrente embutida.

Quando um curto-circuito é detectado na saída, a frequência de operação é instantaneamente reduzida de 180 KHz para 48 KHz, causando uma queda imediata na tensão e na corrente de saída.

O chip possui um bloco de compensação totalmente integrado, sem depender de nenhum componente externo.

Características principais do XL4015 IC

  1. Ampla faixa de tensão de entrada de 8V a 36V
  2. A tensão de saída é ajustável de 1,25V a 32V
  3. Ciclo de trabalho máximo pode ser tão alto quanto 100%
  4. Saída Drop-Out é apenas 0,3V
  5. A frequência de comutação é fixada em 180 kHz
  6. A corrente de saída é constante em 5A.
  7. Os MOSFETs de potência integrados garantem a otimização de alta tensão/corrente
  8. A eficiência operacional é muito impressionante em 96%
  9. A regulação da linha e da carga é extremamente boa
  10. IC possui uma função de desligamento térmico controlado internamente
  11. Da mesma forma, também possui uma função de limite de corrente embutida
  12. Escusado será dizer que o chip também inclui um recurso de proteção contra curtos de saída.

Grande Desvantagem

Embora o módulo XL4015 seja carregado com muitos recursos excelentes que um conversor buck precisa ter, falta um recurso importante.

O módulo não possui arranjo para ajustar a corrente de saída para níveis preferenciais, conforme as especificações de carga.

Portanto, se você deseja carregar uma bateria Li-Ion com um módulo XL4015, digamos, a uma taxa de 2 amp, você não poderá fazer isso, devido à desvantagem mencionada acima.

Da mesma forma, se você quiser acionar um LED de 3,3 V a uma taxa de corrente máxima de 3 amperes, também ficará desapontado, pois o módulo é classificado em uma corrente fixa de 5 amperes.

Como funciona o XL4015

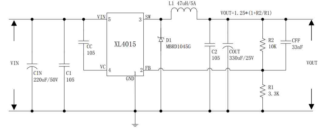
O esquema básico de trabalho do conversor buck XL4015 é mostrado abaixo:

O circuito está configurado para produzir 5 V fixos em uma saída de corrente constante de 5 amp em resposta a uma entrada de alimentação de 8 V a 36 V. As especificações de potência de entrada devem ser maiores que a potência de saída, o que significa que a capacidade de potência da fonte de entrada deve ser superior a 5 V x 5 A = 25 W.

Portanto, se for usada uma alimentação de entrada de 36 V, a corrente de entrada deve ser superior a 25 / 36 = 0,7 Amps. Se for usado 8 V, a corrente de entrada pode ser superior a 25 / 8 = 3 Amps, e assim por diante.

O circuito interno do IC XL4015 consiste nos elementos básicos, como um oscilador e um amplificador de erro. A frequência do oscilador de 180 kHz bem calculada e controlada é gerada no pino 3 (SW) para alimentar a configuração do conversor buck externo que consiste no diodo, indutor e capacitor. Isso permite que o estágio buck processe a alimentação de entrada para uma saída precisa de 5 V, 5 A.

O pino2 (FB) funciona como entrada para o feedback do amplificador de erro. Um mínimo de 1,25 V de entrada nesta pinagem é suficiente para iniciar o processo de desligamento do IC.

Esta pinagem pode ser vista configurada com um divisor de potencial R1, R2, que garante que a tensão de saída nunca ultrapasse a faixa de 5 V, o que faz com que uma tensão superior a 1,25 V se desenvolva no pino FB iniciando o processo de desligamento para o IC, evitando assim que a saída cruze o nível de 5 V.

Isso também implica que a tensão de saída pode ser ajustada para outros níveis de tensão, como 12 V ou 15 V, variando adequadamente os valores do divisor de feedback R1/R2.

O R1/R2 também pode ser fixado usando a seguinte fórmula, para obter a tensão de saída desejada:

Vout=1,25 x (1+R2/R1)

Ajuste de Limite de Corrente

Como podemos ver no esquema, o módulo XL4015 não inclui um recurso de limitação de corrente que aparentemente é uma limitação importante do módulo.

No entanto, o módulo inclui um FB de pinagem de desligamento que pode ser configurado com um circuito limitador de corrente externo, para realizar o recurso. Isso pode ser implementado conforme indicado no diagrama a seguir:

O RX pode ser calculado usando a lei de Ohm:

RX = 0,2 / Limite de Corrente

Como os dois transistores são conectados com uma saída de ganho muito alto, uma diferença de potencial de apenas 0,2 V no RX deve ser suficiente para acionar o pino FB do IC e iniciar a ação de limitação de corrente.

Assim que a corrente tende a exceder o limite desejado, faz com que o potencial mínimo necessário se desenvolva em RX fazendo com que o NPN conduza, o que por sua vez aciona o PNP BJT com força. A ação fornece o DC positivo pretendido no pino FB, iniciando o desligamento.

Quando isso acontece, a corrente de saída cai abaixo do limite definido, desligando os BJTs e restaurando a condição anterior, onde a corrente novamente começa a exceder o limite definido, ligando os BJTs. O ciclo continua se repetindo, garantindo que a corrente permaneça sempre dentro do limite definido.

Com este arranjo, o XL4015 fica equipado com o recurso de limite de corrente de saída ajustável muito útil.

XL4015 Alternativa (Circuito Equivalente)

Embora o módulo XL4015 esteja facilmente disponível na maioria das lojas online, o IC não é fabricado por marcas de renome e pode ficar obsoleto a qualquer momento.

Portanto, ter um circuito conversor buck ajustável de 5 V alternativo usando componentes discretos parece ser uma opção muito melhor.

O diagrama a seguir mostra um conversor buck de 5 V muito eficiente usando o popular chip TL494:

O exemplo acima mostra um conversor de precisão de 5 V buck simples, mas extremamente prático, equivalente ao XL4015.

Aqui, ele mostra um aplicativo de conversor buck de inversor solar, que pode ser adotado para qualquer outro propósito de conversor DC para DC desejado.

O uso do TL494 garante que o design não fique obsoleto facilmente e a substituição do IC estará prontamente acessível sempre que necessário.

Aqui também, um loop de feedback de amplificador de erro determina a corrente de saída configurando a rede divisora ​​de potencial construída em torno de R8/R9.

A corrente pode ser ajustada ajustando o resistor R13 adequadamente.

R13 = 0,2/Limite de Corrente Máx.

Outra grande vantagem de usar o conversor buck acima é o nível de corrente de saída, que não se limita a 5 amperes, mas pode ser atualizado para níveis muito mais altos simplesmente atualizando os transistores, a espessura do fio do indutor e o valor do resistor R13.

Hashtags: #Modificando #conversor #Buck #XL4015 #limitador #corrente #ajustável
 

FONTE


Nota: Este conteúdo foi traduzido do Inglês para português (auto)
Pode conter erros de tradução

Olá, se tiver algum erro de tradução (AUTO), falta de link para download etc…
Veja na FONTE até ser revisado o conteúdo.
Status (Ok Até agora)


Se tiver algum erro coloque nos comentários

Mas se gostou compartilhe!!!

Relacionados