O post explica uma configuração simples que pode ser adicionada com todos os circuitos inversores SG 3525/3524 para implementar a regulação automática da tensão de saída PWM pelo IC. A solução foi solicitada pelo Sr. Felix Anthony.
O problema do circuito:
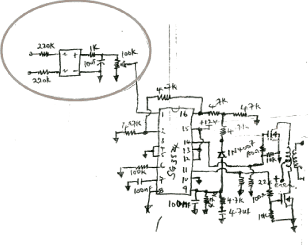
Senhor, eu precisaria de sua ajuda em um projeto sobre um esquema que eu não entendo de uma seção específica. Nosso Professor nos deu o esquema em uma folha impressa para construirmos o circuito por conta própria. Ele listou as peças, mas construir o circuito não é fácil para mim, pois há uma seção que eu realmente não entendo o que esse CI representa. Você pode me ajudar por favor A seção que eu circulei com uma caneta é a parte do circuito que eu realmente não entendo nada sobre isso. O desenho do circuito foi virado de cabeça para baixo pelos operadores de computador a quem o entreguei. Muito obrigado pela sua próxima revisão.


Resolvendo o problema do circuito
A seção circulada é um retificador de ponte simples com um estágio divisor de potencial na forma de um pote de 100k. Ele retifica e envia uma amostra de tensão de feedback da saída de rede do inversor para o pino 1 do IC que identifica esse feedback e, consequentemente, controla o PWM do IC e o regula para que a saída do inversor nunca exceda um limite predeterminado conforme definido pelo 100k predefinida.
pin1 é a entrada de detecção do IC que responde e torna os PWMs mais estreitos sempre que a tensão alimentada do potenciômetro de 100k exceder um certo limite predeterminado.
Pin1 do IC SG3525/3524 na verdade forma uma das pinagens do amplificador operacional de erro interno. O próprio termo amplificador de erro sugere que o opamp é atribuído para detectar e verificar uma tensão de amostra de feedback (sinal de erro) da saída do inversor e corrigir a largura PWM de saída de acordo. Esta tensão é detectada com referência ao outro pino do IC (pino 16) que é fixado internamente em uma tensão de referência de 5,1V.
Caso seja detectado um feedback ascendente, o potencial no pino 1 do IC que é a entrada de detecção do amplificador de erro aumenta proporcionalmente mais alto do que o outro pino 16 complementar do amplificador operacional, criando um alto na saída do amplificador operacional de erro interno.
Esta alta é utilizada internamente para modificar ou diminuir a frequência PWM que por sua vez força os mosfets a conduzir com corrente proporcionalmente menor, corrigindo assim a tensão de saída do inversor automaticamente em relação ao sinal de feedback.
Lista de peças para o circuito inversor SG 3525 mostrado acima com recurso de controle automático de tensão PWM




Hashtags: #Circuito #Automático #Regulação #Tensão #PWM
FONTE
Nota: Este conteúdo foi traduzido do Inglês para português (auto)
Pode conter erros de tradução
Olá, se tiver algum erro de tradução (AUTO), falta de link para download etc…
Veja na FONTE até ser revisado o conteúdo.
Status (Ok Até agora)
Se tiver algum erro coloque nos comentários


