O post discute um circuito de home theater sem fio de 200 + 200 watts usando um amplificador classe D e um fone de ouvido Bluetooth como módulo sem fio. A ideia foi solicitada pelo Sr. Sudipta Mandal.
Especificações técnicas
Eu quero fazer meu home theater sem fio. Meu modelo de home theater é Sony SRS-D9 2.1 canais. Eu também quero que o áudio seja estéreo. O alcance deve ser de no mínimo 2 metros.
É possível através do módulo Bluetooth ou transmissor e receptor de RF?
Em caso afirmativo, sugira como conectar esses módulos para transmitir e receber sinais de áudio. Se for possível através do Bluetooth, como conectar o módulo Bluetooth ao meu home theater?
Se for necessário um pequeno circuito, posso fazê-lo sozinho, mas para isso preciso do diagrama do circuito e das especificações dos componentes necessários.
O design
Em um dos artigos anteriores aprendemos sobre os constituintes internos de um Fone de ouvido Bluetooth gadget e em outro post discutimos como seus pinos de alto-falante podem ser usados para ativando um relé.
Em resposta à solicitação acima, neste artigo investigamos como um fone de ouvido Bluetooth pode ser usado para fazer um circuito de sistema de home theater.
A ideia é simples, trata-se de encontrar um circuito amplificador de potência diferencial adequado e integrar os fios do alto-falante do fone de ouvido Bluetooth com as entradas do amplificador.
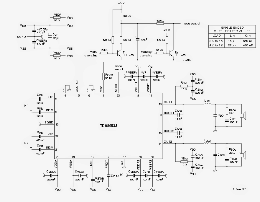
Para a aplicação proposta aqui, usamos um exemplo de circuito amplificador de potência classe D de 200 + 200 watts usando o IC TDA8953 da NXP Semiconductors.
O esquema completo do amplificador de potência pode ser visto no diagrama abaixo. Inclui duas entradas diferenciais, o que significa que o chip suporta uma entrada estéreo classe D.
A saída é de terminação única e é capaz de acionar dois alto-falantes de 4 ohm referenciados no solo com mais de 200 watts cada.
Diagrama de circuito


Cortesia da imagem: https://www.nxp.com/docs/en/data-sheet/TDA8953.pdf
Integração com fone de ouvido Bluetooth
Cada uma das entradas do amplificador classe D mostrado acima pode ser configurada diretamente com os fios de alto-falante cortados/desencapados de um circuito de fone de ouvido Bluetooth recuperado, conforme indicado abaixo:




Desconecte os fios do alto-falante do alto-falante, descasque as extremidades com cuidado para as integrações recomendadas com as entradas do amplificador




Para resposta estereofônica
Para usar ambas as entradas do amplificador e para desfrutar de uma resposta estereofônica de home theater, será necessária outra unidade de fone de ouvido Bluetooth compatível e adequadamente emparelhada.
Uma vez que a integração dos dois fones de ouvido, emparelhados com a fonte Bluetooth, é feita, uma música estéreo pulsante e cristalina classe D de 400 watts pode ser experimentada nos alto-falantes conectados.
O sistema pode ser posicionado como um sistema de home theater ou simplesmente para desfrutar de puros 400 watts de música do seu celular ou outros dispositivos compatíveis com Bluetooth.
Se você já possui um sistema amplificador de home theater pronto, conecte a entrada do amplificador com qualquer fio de alto-falante cortado/descascado do fone de ouvido Bluetooth (se o amplificador não for do tipo diferencial) e verifique se a linha negativa do fone de ouvido está comum com a linha negativa do amplificador.
Alternativamente, uma rede de ponte pode ser empregada para retificar a saída diferencial do alto-falante do fone de ouvido e a saída pode ser ligada diretamente às entradas do amplificador de extremidade única.
Hashtags: #Circuito #home #theater #sem #fio #usando #fone #ouvido #Bluetooth
FONTE
Nota: Este conteúdo foi traduzido do Inglês para português (auto)
Pode conter erros de tradução
Olá, se tiver algum erro de tradução (AUTO), falta de link para download etc…
Veja na FONTE até ser revisado o conteúdo.
Status (Ok Até agora)
Se tiver algum erro coloque nos comentários


