Projetos de circuito eletrônicoCircuitos CI 555Circuito Otimizador de Torque Automático em Motores Elétricos

Circuito Otimizador de Torque Automático em Motores Elétricos

Neste artigo discutimos um projeto de circuito que ajudará a otimizar o torque de um motor de indução utilizado em veículos elétricos, analisando seu consumo de corrente.

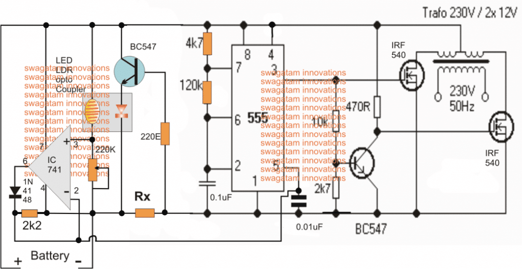
Usando um inversor IC 555 para controle de toque

O design destina-se especificamente a veículos elétricos projetados para funcionar com motores de indução e, portanto, aqui está incluído um inversor para operar o motor de indução a partir de uma bateria.

O circuito otimizador automático de torque proposto para motor de indução pode ser visto no diagrama a seguir. Como foi projetado para um veículo elétrico, um circuito inversor está incluído e construído usando um IC 555.

Usando um inversor IC 555 para controle de toque
Usando um inversor IC 555 para controle de toque

Usando um inversor IC 555 para controle de toque
Usando um inversor IC 555 para controle de toque

O IC 555, juntamente com os mosfets e transformadores associados, formam um circuito inversor decente para acionar o motor de indução monofásico especificado a partir de uma bateria de 12V ou 24V. Para uma bateria de 24V, a seção IC precisará ser escalonada
até 12V através de um estágio regulador de tensão adequado.

Voltando ao projeto real, aqui precisamos ter certeza de que o motor de indução conectado ao transformador inicia com uma velocidade mais baixa e começa a ganhar impulso, velocidade e torque à medida que é carregado.

Usando a técnica PWM

Basicamente para implementar isso, um PWM se torna a melhor técnica e neste projeto também aproveitamos o recurso de otimização PWM integrado do IC 555. Como todos sabemos que o pino 5 do IC 555 forma a tensão de controle
entrada do IC, que responde a uma tensão variável para ajustar o nível de largura de pulso em seu pino 3, ou seja, para níveis de potencial mais altos no pino 5, a largura de pulso no pino 3 fica mais larga e para potenciais mais baixos no pino 5 , a largura do pulso no pino 3 fica mais estreita.

Para traduzir a especificação de carga em uma tensão variável no pino 5, precisamos de um estágio de circuito capaz de converter a carga crescente no motor de indução em um potencial proporcionalmente crescente
diferença no pino 5 do IC 555

Função do Sensor de Limite de Corrente

Isso é feito introduzindo um resistor sensor de corrente Rxque transforma a corrente ascendente extraída pela carga em uma diferença de potencial proporcionalmente crescente entre si.

Esta diferença de potencial é detectada pelo BC547 e transferiu os dados para o LED conectado, que na verdade é o LED dentro de um acoplador opto LED/LDR feito em casa manualmente.
À medida que o brilho do LED aumenta em resposta a um consumo de corrente crescente por uma carga conectada, a resistência do LDR diminui proporcionalmente.

O LDR pode ser visto formando uma parte da rede divisora ​​de potencial através da entrada não inversora de um Opamp, portanto, quando a resistência do LDR cai, o potencial no pino 3 do opamp aumenta, o que, por sua vez, causa uma tensão correspondentemente crescente na saída do op.

Isso acontece porque o opamp está configurado como um circuito seguidor de tensão, o que significa que os dados de tensão em seu pino 3 serão replicados exatamente em seu pino 6 de saída e de maneira amplificada.

Esta tensão correspondentemente crescente no pino #6 do opamp em resposta à carga crescente no motor de indução alimenta um potencial crescente no pino #5 do IC555. Isso, por sua vez, faz com que o PWM inicial mais estreito no pino 3 do IC 555 fique mais largo.

Quando isso acontece, os mosfets do inversor passam a conduzir mais corrente para o transformador possibilitando uma potência proporcionalmente maior para o motor de indução, e o processo permite que a carga opere com mais potência e com
atuação.

Por outro lado, assim que a carga é reduzida, a corrente através de Rx também é reduzida, o que diminui o brilho do LED, e o potencial de saída dos opamps diminui correspondentemente, o que finalmente faz com que o IC 555 reduza seu PWM para os mosfets e reduza a entrada de energia para o transformador.

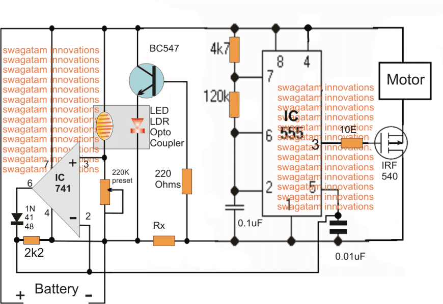
Usando o otimizador de torque para motores de esteira

O circuito otimizador de torque explicado acima para motores de indução é destinado a veículos elétricos, no entanto, se você estiver interessado em operar um motor CC comum de alta potência, como um motor de esteira, nesse caso a seção do transformador pode ser simplesmente eliminada e o motor pode ser conectado diretamente conforme indicado no diagrama a seguir:

Usando o otimizador de torque para motores de esteira
Usando o otimizador de torque para motores de esteira

Usando o otimizador de torque para motores de esteira
Usando o otimizador de torque para motores de esteira

Tenho certeza de que você teria muitas perguntas preocupantes, portanto, sinta-se à vontade para colocá-las em seus valiosos comentários. Todas as suas dúvidas relacionadas serão respondidas com a maior brevidade

Hashtags: #Circuito #Otimizador #Torque #Automático #Motores #Elétricos
 

FONTE


Nota: Este conteúdo foi traduzido do Inglês para português (auto)
Pode conter erros de tradução

Olá, se tiver algum erro de tradução (AUTO), falta de link para download etc…
Veja na FONTE até ser revisado o conteúdo.
Status (Ok Até agora)


Se tiver algum erro coloque nos comentários

Mas se gostou compartilhe!!!

Relacionados