Este controlador de velocidade do ventilador funciona detectando a temperatura do motor e é usado para o acionamento. À medida que a temperatura aumenta, aumenta também a velocidade do motor do ventilador e vice-versa.
Operação do Circuito
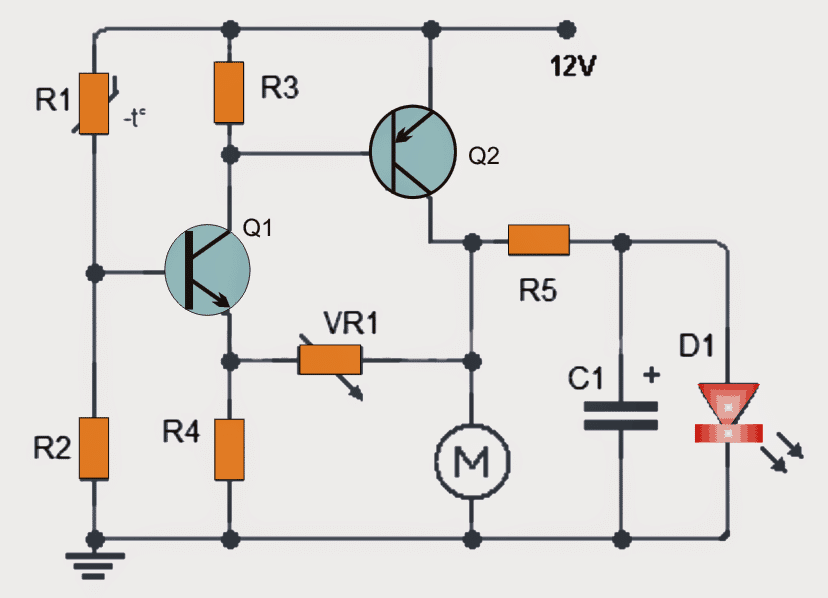
O funcionamento do ventilador de temperatura controlada proposto pode ser entendido da seguinte forma:
A velocidade do motor CC se altera à medida que a temperatura aumenta, que é convertida em uma tensão proporcionalmente crescente e aplicada entre seus terminais.
Para medir a temperatura o termistor (R1) deve ser colocado o mais próximo possível de onde você deseja que ele detecte a temperatura.
No diagrama, pode-se ver que o termistor (R1) e o resistor (R2) são empregados para formar uma rede divisora de tensão. Recomenda-se que o valor de R2 seja em torno de aproximadamente um décimo do valor de R1.
À medida que o valor do termistor de temperatura diminui, faz com que o transistor Q1 sature mais proporcionalmente.
Como o coletor de Q1 está conectado à base de Q2, a tensão na base de Q2 também responde ao acima e diminui
A tensão diminui na base de Q2 que se torna mais saturada, fazendo com que a tensão coletor-emissor (VCE) diminua intensificando assim a tensão no terminal coletor do motor.
A velocidade máxima do motor será ligeiramente inferior à sua especificação nominal.
Para adicionar a isso, pode não ser crucialmente necessário para a operação precisa do circuito, conhecer a temperatura para controlar a velocidade do motor, um LED pode ser usado conforme indicado no diagrama. Este LED ficará proporcionalmente mais brilhante à medida que a rotação do motor aumenta.
Diagrama de circuito


Lista de peças
R1: termistor de 15K
R2: 1,5K
R3: 1K
R4: 47
R5: 680
VR1: predefinido 22K
C1: 100uF/25V
Q1: 2N2712 (NPN) ou equivalente
Q2: BD140 (PNP) ou equivalente
LED D1
M: Motor DC escovado ou sem escova
Nota: O motor CC pode ser diferente de um motor de computador. Certifique-se de que a classificação de corrente do motor não exceda a classificação do transistor Q2. (corrente máxima 1,5 amperes). Recomenda-se não exceder 1 amp e usar pia.
Hashtags: #Controlador #velocidade #ventilador #acionado #por #temperatura
FONTE
Nota: Este conteúdo foi traduzido do Inglês para português (auto)
Pode conter erros de tradução
Olá, se tiver algum erro de tradução (AUTO), falta de link para download etc…
Veja na FONTE até ser revisado o conteúdo.
Status (Ok Até agora)
Se tiver algum erro coloque nos comentários


