As postagens a seguir explicam como construir um circuito transmissor estéreo FM simples de construir usando o IC BA1404.
Sobre o IC BA1404
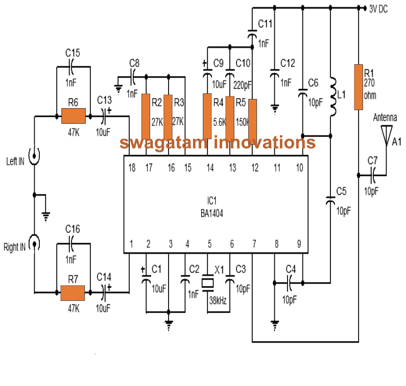
Um circuito transmissor sem fio FM de áudio estéreo excepcional é apresentado abaixo.
O circuito depende do IC BA1404 da ROHM Semiconductors.
BA1404 é um modulador estéreo FM monolítico que inclui modulador estéreo integrado, modulador FM, circuitos amplificadores de RF.
O modulador FM pode ser controlado de 76 a 108 MHz e a fonte de alimentação para o circuito pode ser quase qualquer coisa entre 1,25 a três volts.
Operação do Circuito
No circuito R7, C16, C14 e R6, C15, C13 faz o sistema de pré-ênfase para as estações direita e esquerda respectivamente.
Isto é conseguido para complementar a resposta de frequência do transmissor FM com o receptor FM.
O indutor L1 e o capacitor C5 são empregados para fixar a frequência do oscilador. O grupo C9,C10, R4,R5 aumenta a divisão da estação.
O cristal X1 de 38kHz está ligado entre os pinos 5 e 6 do IC. A recepção estéreo composta é formada pelo circuito modulador estéreo empregando a frequência regulada de quartzo de 38kHz.
Construa o circuito em um PCB de alta qualidade.
Operar o circuito a partir de uma bateria minimiza os distúrbios.
Trabalhe com um cabo de cobre de 80 cm como antena.
Para L1, tente fazer três voltas de fio de cobre esmaltado de 0,5 mm de diâmetro em um núcleo de ferrite de 5 mm de diâmetro.
Diagrama de Circuito do Transmissor FM Estéreo


Uma versão melhorada do design acima é explicada na postagem a seguir.
O circuito transmissor FM estéreo descrito abaixo pode ser usado para transmitir uma música FM estéreo muito mais clara para todos os rádios FM próximos.
Noções básicas de FM
A maioria dos transmissores de FM sem fio básicos tendem a ser apenas monofônicos. Um sinal de transmissão estéreo apresenta um par de canais: esquerdo e direito. A frequência do som cobre uma largura de banda de 50 a 15.000 Hertz, juntamente com as frequências mais altas fornecem um reforço de agudos ou pré-ênfase para redução de ruído.
Cada canal é incorporado coletivamente e transmitido como áudio de canal primário (L+R) para garantir que os receptores de FM monofônicos consigam reproduzir todo o conteúdo da música de entrada para o público desfrutar.
Juntamente com a música do canal principal, um sinal estéreo inclui uma portadora piloto de 19 kHz a 10% de amplitude do canal primário e também uma subportadora de banda lateral de 23 kHz a 53 kHz composta pela diferença entre os sinais de áudio direito e esquerdo ( L – R).
O receptor estéreo faz uso do sinal de 19 kHz para duplicar um sinal de 38 kHz com bloqueio de fase (mantido em cheque no transmissor) para decodificar as portadoras de banda lateral de volta para os canais direito e esquerdo. A figura a seguir mostra o espectro de frequência de um sinal FM estéreo.



Além disso, o receptor oferece um corte de agudos (conhecido como de-ênfase), que compensa a pré-ênfase que foi incluída no transmissor.
Como funciona



A parte principal deste projeto de circuito é o IC1, um Transmissor estéreo BA1404 FM como mostrado na figura acima. O sinal de entrada do canal esquerdo é ajustado para o nível correto pelo RI.
O reforço de agudos (pré-ênfase) é fornecido pela mistura paralela de Cl e R3.
Isso combina as especificações acústicas com o padrão de 75 microssegundos de acordo com as regras da FCC. O som é emparelhado por C10 com a entrada do canal esquerdo do IC1 no pino 1. Distúrbios de RF ruins são desviados para o terra via C2 para proteger contra realimentação indesejável.
O estágio de entrada do canal direito para o pino 18 do ICI é, na verdade, o mesmo do canal esquerdo. Desacoplamento da fonte de alimentação executado por C14, e qualquer amplificação prévia para a entrada de som é desacoplada por C12 no pino 2 do chip.
Um sinal de 38 kHz é necessário para multiplexar o som de entrada e desenvolver o sinal preliminar da portadora.
Os estágios do circuito interno do IC1 facilitam a aplicação de um cristal de corte SX de 38 kHz, como comprovado pela linha pontilhada no esquema da Figura acima.
No entanto, os cristais de 38 kHz podem ser difíceis de obter no mercado, além de poderem custar muito se você conseguir um.
Um cristal muito mais acessível pode estar disponível que opera em 38.400 kHz.
Isso funciona na maioria das condições: estudos conduzidos durante o desenvolvimento deste projeto específico confirmaram que alguns receptores estéreo FM podem não “apertar as mãos” de forma confiável para a portadora piloto criada a partir de cristal de 38.400 kHz.
A solução foi trabalhar com um oscilador Hartley alternativo extremamente seguro, construído usando componentes baratos e de fácil acesso no lugar de qualquer oscilador de cristal.
A onda senoidal de 38 kHz é produzida por Q1 e pelas partes adjacentes (o oscilador Hartley). O transistor de alto ganho Q1 apresenta um ganho de mais de 300: dispositivos de baixo ganho podem não funcionar devido à tensão de alimentação reduzida (1,5 volts DC) que é fornecida por uma única célula AA.
O indutor variável empregado para T1 é um transformador de 1ª frequência intermediária (IF) comumente visto em rádios transistorizados portáteis, e destina-se ao processamento de 455 kHz.
A bobina em T1 é empacotada com ampla capacitância por C23 para levar sua frequência de trabalho até aproximadamente 38 kHz. É possível ajustar o núcleo do Ti para colocar o oscilador precisamente na frequência.
Apesar do fato de que o oscilador pode derivar muito mais do que um cristal de quartzo, isso não é um problema porque os receptores usam loops de bloqueio de fase que podem rastrear a flutuação trivial.
Observe que o circuito não oscilará se a fiação do transformador Ti for invertida ou invertida. Uma vista de base de Ti é mostrada na Fig para ajudá-lo com as conexões.
As faixas de áudio multiplexadas saem do pino 14 do IC1 e são combinadas com a portadora piloto no pino 13 com a ajuda dos circuitos de R5, R6, C22 e C13.
A saída de áudio resultante é enviada para a entrada do modulador no pino 12. Para contornar qualquer tipo de complicação de feedback de RF, o pino 12 é desviado pelo C6. Um oscilador Colpitts, trabalhando de 88 a 95 MHz, é criado nos pinos 9 e 10 junto com os circuitos de C15 a C17, C20 e L3.
O realinhamento bruto da frequência é feito ajustando as folgas das bobinas de L3 e o ajuste fino feito via C20.
A energia de RF que é desenvolvida através do circuito do tanque é impedida de retornar aos estágios da fonte de alimentação usando o capacitor de desvio C7 e o indutor de RF L2.
O realinhamento bruto da frequência é feito ajustando as folgas das bobinas de L3 e o ajuste fino feito via C20. A energia de RF que é desenvolvida através do circuito do tanque é impedida de retornar aos estágios da fonte de alimentação usando o capacitor de bypass C7 e o RF-choke L2.
A transmissão modulada no pino 10 de ICI é combinada internamente ao amplificador de saída de RF compreendendo C18, C19 e L4 ligados ao pino 7.
Este estágio aprimora o áudio do oscilador para comutar a antena, e isso inibe variações no carregamento da antena por meio da comutação da frequência do oscilador.
Um tap é extraído em um ponto em L4 na antena por ter a maior transmissão de potência possível.
A estrutura do IC1 é cabeada projetada para operação de 1,5 volts com um máximo absoluto de 3,5 volts.
O exame inicial deste circuito revelou que o alcance da transmissão falhou em expandir substancialmente quando 3 volts foram utilizados para fornecer o circuito, e o consumo de corrente aumentou 3 vezes.
Como resultado, o aumento da tensão de operação não é realmente recomendado. O circuito do transmissor FM consome apenas cerca de 5 mA, portanto, apenas uma célula AA pode servir por um bom tempo.
Construção
Qualquer circuito que trabalhe com altas frequências exige aterramento e blindagem adequados. No entanto. para tornar esta tarefa o mais fácil possível, não foi utilizado um PCB.
Em vez de um PCB, foi utilizado um revestimento de cobre de um lado vazio, com o cobre no lado do componente criando um plano de aterramento e as conexões de fiação feitas no lado oposto.
O construtor será capaz de identificar cada um dos componentes essenciais destinados a este projeto de circuito.
Conforme demonstrado na figura principal, a maioria dos componentes pode ser vista com um terminal indo direto para o terra. Para esses componentes, você precisa fazer um furo na placa apenas para o pino não aterrado.
O outro pino pode ser soldado diretamente na superfície do solo na parte superior do PCB. Recomenda-se perfurar e soldar as peças passo a passo. Fazendo isso, pode ser mais simples corrigir cada um dos componentes corretamente.
Certifique-se de manter todos os terminais tão pequenos quanto possível.
Além disso, certifique-se de que os capacitores de desacoplamento sejam posicionados o mais próximo possível dos pinos de ICI, L3 e L4.
Você pode construir a bobina L3 enrolando compactamente 3 voltas de fio esmaltado nº 20 no eixo de uma broca de 3/16 de polegada e esticando-a para 1/4 de polegada imediatamente após ser retirada da broca.
Para criar a bobina L4, enrole quatro voltas do fio nº 20 como sugerido antes e puxe as voltas até 3/8 de polegada após a remoção do eixo da broca. Cada bobina é instalada na placa 1/46 de polegada levantada sobre a superfície de cobre da placa.
Posicione as bobinas em ângulos retos uma com a outra e no mínimo 1 polegada separadas para minimizar o acoplamento entre as duas. As bobinas de RF (L1 e L2) também precisam ser instaladas em ângulo reto com as bobinas L3 e L4.
Faça check-out e ajuste Reserve alguns minutos para examinar seu trabalho árduo. Certifique-se de que o cobre seja retirado ao redor dos slots destinados à passagem do terminal do componente.
Antes de ligar a energia, faça algumas inspeções com o ohmímetro dos pinos do ICI ao terra para verificar se algum tipo de curto está presente onde realmente não deveria.
Além disso, procure a polaridade apropriada dos capacitores eletrolíticos. Conecte a bateria e determine o dreno de corrente; deve estar abaixo de 5 miliamperes.
Conecte a antena ao topo de L4, na primeira volta da extremidade que está ligada ao pino 7 do IC1.
A antena de 17 polegadas mostrada para o protótipo será do tamanho na maioria dos casos identificados em rádios portáteis; use apenas o tamanho certo para a antena para evitar distúrbios com os rádios próximos. Integre um sinal de música estéreo ao transmissor à esquerda em J1 e à direita em J2.
Ajuste seu rádio FM em toda a banda sintonizando o sinal transmitido. Ajuste C19 e C20 em seus pontos centrais e ajuste L3 em torno de 92 MHz. Agora você pode empregar C20 para alinhar para a frequência especificada.
Mesmo que você provavelmente tenha um alcance de transmissão decente, é possível otimizar o circuito para a saída mais alta rastreando o indicador de potência do sinal no receptor FM com o qual você pode estar trabalhando e esticando ou comprimindo a folga da bobina entre as voltas de L4 usando um instrumento isolado e não magnético.
À medida que você se aproxima do ponto ideal, as bobinas tendem a ser um pouco interativas, portanto, modificar apenas uma pode afetar a outra. Continue fazendo o procedimento até alcançar um resultado mais alto possível.
Tendo um sinal estéreo colocado em J1 e J2, sintonize a saída do receptor FM, de preferência através de fones de ouvido, e ajuste R1 e R2 para o nível um pouco abaixo de onde a distorção ocorre em partes ruidosas do áudio. Um nível de sinal ligeiramente abaixo de 200 mV é recomendado na entrada.
O oscilador de 38 kHz é idealmente ajustado usando um contador de frequência conectado ao pino 5 do ICI.
Se o equipamento não estiver acessível, você pode ajustar o núcleo de T1 lendo as posições onde a luz indicadora estéreo do receptor acende e apaga. Ajuste o núcleo a meio caminho entre essas duas posições.
Ajustes Adicionais
Pode haver casos em que você gostaria de transmitir uma transmissão monofônica, digamos, por exemplo, a saída de um alto-falante para um sistema de som de auditório.
Uma chave seletora pode ser incluída no circuito para inserir um capacitor de 0,01 µF no pino 6 do IC e no terra para restringir o funcionamento estéreo.
Se talvez for preferível um funcionamento monofônico de longo prazo, os elementos osciladores de 38 kHz e C5 podem ser removidos do circuito.
A incorporação de um MIC de eletreto à entrada J1 com um resistor de 2,2 K conectado a + 1,5 volts transformará este circuito em um microfone sem fio para rastreamento de salas de crianças ou para uso em salas de aula. Conecte os componentes no circuito no lugar de R1, conforme demonstrado abaixo.



A função estéreo permite que você use duas entradas juntas. Você pode considerar incorporar vocais em um canal e instrumento musical no outro para o programa do seu sistema de áudio.
Como alternativa, você também pode acompanhar o telefone ou uma criança no canal esquerdo e sintonizar seu dispositivo de varredura no canal direito ao mesmo tempo enquanto limpa seu veículo ou corta o jardim, ou quando usa um receptor de fone de ouvido .
Hashtags: #Circuito #transmissor #estéreo #usando #BA1404
FONTE
Nota: Este conteúdo foi traduzido do Inglês para português (auto)
Pode conter erros de tradução
Olá, se tiver algum erro de tradução (AUTO), falta de link para download etc…
Veja na FONTE até ser revisado o conteúdo.
Status (Ok Até agora)
Se tiver algum erro coloque nos comentários


