Neste post, estudamos um excelente diodo de alta corrente que possui não apenas uma proteção de corrente reversa embutida, mas também uma proteção de sobretensão para proteger circuitos eletrônicos sensíveis contra ocorrências de backemfs, transientes e descargas de carga.
Como funciona o diodo de 40 Amp RBO40-40G/T
O dispositivo RBO40-40G/T da STMicroelectronics vem em um encapsulamento TO-220 e se parece bastante com um transistor de potência, porém praticamente foi projetado para funcionar como um diodo retificador de 40 Amps.


A própria classificação de 40 amperes torna o dispositivo imediatamente adequado para todas as aplicações de motores e inversores de alta corrente na forma de um diodo de roda livre para combater os perigosos EMFs traseiros, o que se torna um problema sério em todas essas aplicações.
Embora este diodo versátil possa ser idealmente adequado como um diodo de roda livre e também na forma de diodo de bloqueio para proteção contra polaridade reversa da bateria, o dispositivo inclui uma proteção especial contra sobretensão para combater surtos de tensão e descargas de carga.
Conforme a ficha técnicao dispositivo é atribuído com os seguintes recursos:
- Protetor de pico embutido para proteção contra pulsos de tensão “despejo de carga”.
- Pode ser usado como diodo de bloqueio regular de 40 amp para combater a inversão acidental de polaridade da bateria.
- Uma estrutura monolítica garante maior confiabilidade
- A tensão de ruptura não está acima de 24V, então aqui o recurso pode ser restrito dentro deste limite.
- A tensão de fixação do pico é definida em +/- 40V
As classificações máximas absolutas do RBO40-40G/T podem ser estudadas a partir dos seguintes dados:
- O limite de corrente direta de pico de surto não repetitivo instantâneo (10ms) é de 120Amps
- A capacidade de manuseio de corrente contínua contínua DC é de 40 amperes
- A capacidade de manuseio de tensão de despejo de carga de pico instantâneo é de 80V
- A capacidade de manuseio de potência de pico instantâneo é de 1500 watts
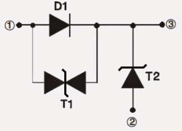
Descrição do layout interno




Referindo-se à figura acima que mostra a estrutura interna do diodo, as três principais funções envolvidas do dispositivo podem ser entendidas como dadas a seguir:
1) O diodo D1 indicado é designado para funcionar no modo de diodo retificador padrão para proteção contra reversão acidental da bateria.
2) O componente T2 associado ao dispositivo atua como um transil eficaz para contrariar pulsos de transientes de pico positivo ou EMFs de retorno que podem ser gerados pelos relés de alta potência associados, indutores, bobinas de ignição, transformadores, enrolamento do motor, etc.
3) A terceira parte T1 que pode ser vista no layout interno do dispositivo é especificamente incluída para aplicações de motor para proteger os drivers de transistores dos EMFs da bobina do motor ou picos de tensão negativa.
Detalhes da pinagem
A configuração de pinagem ou os detalhes de conexão do diodo de 40 amperes proposto com proteção reversa e de sobretensão podem ser vistos no diagrama a seguir. Nada parece complexo no design, trata-se apenas de conectar os cabos de acordo com a polaridade correta e obter proteção máxima contra tensão reversa, transientes, picos, sobretensões etc. em um circuito que pode ser altamente propenso a esses parâmetros.




Cortesia: st.com/web/en/resource/technical/document/datasheet/CD00001320.pdf
Hashtags: #Diodo #40A #proteção #reversa #sobretensão
FONTE
Nota: Este conteúdo foi traduzido do Inglês para português (auto)
Pode conter erros de tradução
Olá, se tiver algum erro de tradução (AUTO), falta de link para download etc…
Veja na FONTE até ser revisado o conteúdo.
Status (Ok Até agora)
Se tiver algum erro coloque nos comentários

