Projetos de circuito eletrônicoComemoraçõesFaça uma vela eletrônica no circuito doméstico

Faça uma vela eletrônica no circuito doméstico

O circuito da vela eletrônica proposto não utiliza cera, parafina ou chama, mas o aparelho simula perfeitamente uma vela convencional. Basicamente incorpora peças eletrônicas comuns como LED e bateria. A parte interessante disso é que ele pode ser extinto literalmente com um sopro de ar.

O circuito eletrônico de velas LED proposto ajuda você a se livrar dos antigos tipos de velas que usam cera e fogo para iluminações. Esta vela moderna não só produz uma iluminação melhor do que os tipos convencionais, como também dura muito mais tempo e muito economicamente.

Além disso, fazer o projeto em casa pode ser muito divertido. As principais características deste circuito eletrônico de velas incluem, maior iluminação, baixo consumo, facilidade de ligar automático quando faltar energia e é extinguível, literalmente “soprando” a vela .

Operação do Circuito

CUIDADO – O CIRCUITO É EXTREMAMENTE PERIGOSO AO TOCAR QUANDO ABERTO E CONECTADO À REDE CA, SEM OBSERVAR AS PRECAUÇÕES ADEQUADAS PODE CAUSAR MORTE OU PARALISIA.

Antes de aprender os detalhes do circuito, observe que a unidade funciona com potencial de rede CA sem qualquer isolamento, portanto, pode transportar tensões em níveis de rede perigosos, o que pode matar qualquer pessoa.

Portanto, extremo cuidado e precaução são recomendados ao trabalhar com a construção deste projeto.

Operação do Circuito
Operação do Circuito

Operação do Circuito
Operação do Circuito

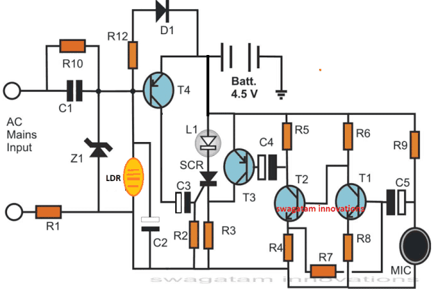
O funcionamento do circuito pode ser entendido com os seguintes pontos:

Todo o circuito pode ser dividido em três estágios separados, a fonte de alimentação sem transformador, o driver de LED e o estágio do amplificador “puff”.

As partes compostas por C1, R10, R1 e Z1 formam o estágio básico de alimentação capacitiva, necessário para manter o circuito “consciente” da disponibilidade de energia da rede e para manter o LED DESLIGADO nas condições.

A entrada de rede é aplicada em R1 e C1. R1 garante que as correntes de surto iniciais não entrem no circuito e causem danos às partes vulneráveis.

Com o surto controlado através de R1, C1 conduz normalmente e fornece a quantidade esperada de corrente para a seção de diodo zener anterior.

O diodo zener prende as tensões de meio ciclo positivas de C1 até o limite especificado (12 volts aqui). Para os semiciclos negativos, o diodo zener atua como um curto e os liga ao terra. Isso ajuda ainda a controlar as correntes de surto e manter a entrada do circuito bem sob condições seguras.

O capacitor C2 filtra a CC retificada do diodo zener para que uma CC perfeita fique disponível para o circuito. negativo do solo é inibido para a base de T4. Isso restringe a condução de T4 e permanece DESLIGADO.

Como a bateria está conectada através do emissor se T4 e terra, ela também permanece desligada e a tensão não consegue alcançar o circuito. Assim, enquanto a entrada de rede estiver ativa, a energia da bateria é mantida distante do circuito real da “vela de LED”, mantendo o LED DESLIGADO.

Caso a energia falhe, o potencial positivo na base de T4 desaparece, de modo que o potencial de terra de R11 agora passa facilmente para a base de T4.

T4 conduz e permite que a tensão da bateria alcance através de seu braço coletor. Aqui, a tensão da bateria flui para o positivo do eletrônico anterior e também através de C3 (apenas instantaneamente). No entanto, essa tensão fracionária de C3 comuta o SCR em condução e o trava, mesmo depois que C3 carrega e inibe qualquer corrente de porta adicional para o SCR.

O travamento do SCR acende o LED e o mantém aceso enquanto a rede estiver ausente. Se a energia da rede for restaurada, a bateria é instantaneamente desligada por T4, trazendo o circuito de volta à sua posição original, conforme explicado acima.

A explicação acima descreve a fonte de alimentação e o estágio de comutação, correspondente à presença ou ausência de uma entrada CA.

No entanto, o circuito incorpora outra característica interessante de extinguir o LED por “soprar” de ar, como costumamos fazer com velas do tipo cera e chama.

Este recurso fica disponível na ausência de entrada de rede CA, com o LED aceso. Isso é feito “soprando” ar no MIC ou simplesmente tocando nele.

A resposta momentânea do MIC é convertida em minúsculos sinais elétricos que são adequadamente amplificados por T1, T2 e T3.

Quando T3 conduz, leva o ânodo do SCR ao potencial positivo desligando a função “latch”, o SCR é imediatamente desligado e o LED também.

O diodo D1 carrega a bateria quando a alimentação da rede está ligada.

Como montar o circuito de vela eletrônica

Este circuito eletrônico de vela de LED pode ser montado da maneira usual, soldando os componentes adquiridos sobre um veroboard, com a ajuda do esquema fornecido.

Para dar à unidade a impressão de uma vela, o LED pode ser içado sobre um longo tubo de plástico cilíndrico, mas a parte do circuito deve ser colocada dentro de uma caixa de plástico adequada. O tubo e o gabinete devem ser integrados como mostrado no diagrama.

O gabinete também deve ser equipado com dois pinos do tipo plug-in CA para que a unidade possa ser fixada em uma tomada CA existente. As baterias podem ser acomodadas dentro do tubo. Para obter os 4,5 volts necessários, três tipos de células de luz de caneta devem ser conectadas em série. Estes devem ser tipos carregáveis, capazes de fornecer 1,2 volts cada.

Lista de peças

R1, R3 = 47 Ohms, 1 Watt,
R4 = 1K,
R5 = 3K3,
R2, R6 = 10 K,
R7 = 47 K,
R8, R12 = 150 Ohms,
R9 = 2K2,
R10 = 1 M,
R11 = 4K7,
C1 = 1 uF, 400V,
C2 = 100 uF/25 V,
D1 = 1N4007,
C3 = 1 uF,
C4, C5 = 22 uF/ 25 V
T3, T4 = BC557,
T1, T2 = BC547,
SCR = Qualquer tipo, 100 V, 100 mA,
LED = Branco Alto Brilho, 5 mm.

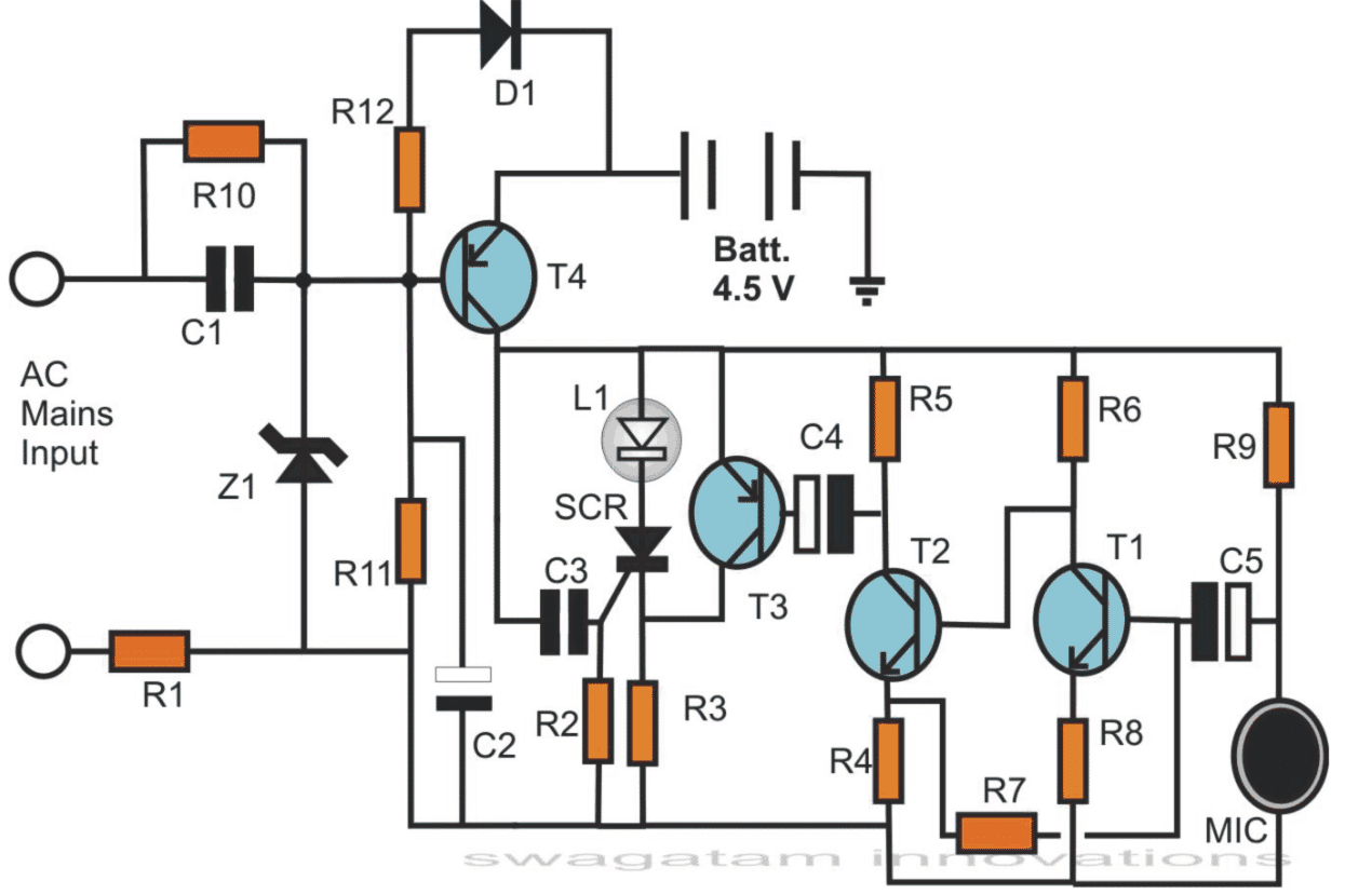
Usando um LDR para ligar a vela eletrônica:

O design explicado acima pode ser aprimorado ainda mais para responder à luz de um palito de fósforo aceso, usando um LDR como sensor de luz. O diagrama modificado pode ser visualizado como mostrado abaixo:

Lista de peças
Lista de peças

Lista de peças
Lista de peças

Referindo-se à figura, podemos ver que o resistor de polarização do transistor R11 agora é substituído por um LDR.
Na ausência de luz o LDR apresenta uma resistência muito alta fazendo com que o SCR permaneça desligado, porém quando um palito de fósforo aceso é aproximado do LDR, sua resistência diminui e o transistor começa a conduzir, o que por sua vez permite que o SCR seja acionado e travado…..

Hashtags: #Faça #uma #vela #eletrônica #circuito #doméstico
 

FONTE


Nota: Este conteúdo foi traduzido do Inglês para português (auto)
Pode conter erros de tradução

Olá, se tiver algum erro de tradução (AUTO), falta de link para download etc…
Veja na FONTE até ser revisado o conteúdo.
Status (Ok Até agora)


Se tiver algum erro coloque nos comentários

Mas se gostou compartilhe!!!

Relacionados